关于如图斩波运放中DTMOSFET与倒宽长比mos管
录入:edatop.com 阅读:
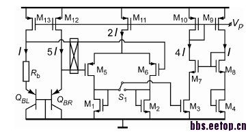
如图中M1和M2是二极管连接器件,这样如果流片会不会增加工艺实现的难度进而增加成本呀?图中I=90nA在0.18um1.8V工艺下,这么小的电流里面肯定要用到倒宽长比管子,那么倒宽长比的管子用的时候有什么限制没有呢?如果具体到这个电路呢?请懂的前辈给解下惑。

这是做基准的电路吗,感觉环路增益有点低
电路只是用来产生一个PTAT电流
只产生PTAT电流,何必做的那么复杂
要求的精度非常高,deltaVbe在常温下误差不超过2uv
申明:网友回复良莠不齐,仅供参考。如需专业解答,请学习本站推出的微波射频专业培训课程。

