怎样计算电路中的电流?
录入:edatop.com 阅读:
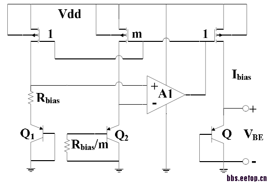
求问:我要用这个电路产生230nA(300K时)的PTAT电流Ibias,怎样一步步确定电路中每个元器件的参数呢?比如运放的共模放大倍数需要事先计算好吗?在smic0.18工艺下的Kn和Kp是确定的吗?如果不是确定的怎么计算呀?
求前辈解惑,谢谢
求前辈解惑,谢谢

自己顶一下,不要沉呀
非常简单的一个bgr,翻翻书就找到了。
缺少实战经验。你要的是Ibias电流,不是Opamp的gain有多大。
能不能照着我提问的问题帮忙回答一下呀?谢谢了
等待高手解答
..
申明:网友回复良莠不齐,仅供参考。如需专业解答,请学习本站推出的微波射频专业培训课程。
上一篇:关于电荷泵的问题
下一篇:锁相环为什么要分析开环传输函数?

