求助,关于运放测试
录入:edatop.com 阅读:
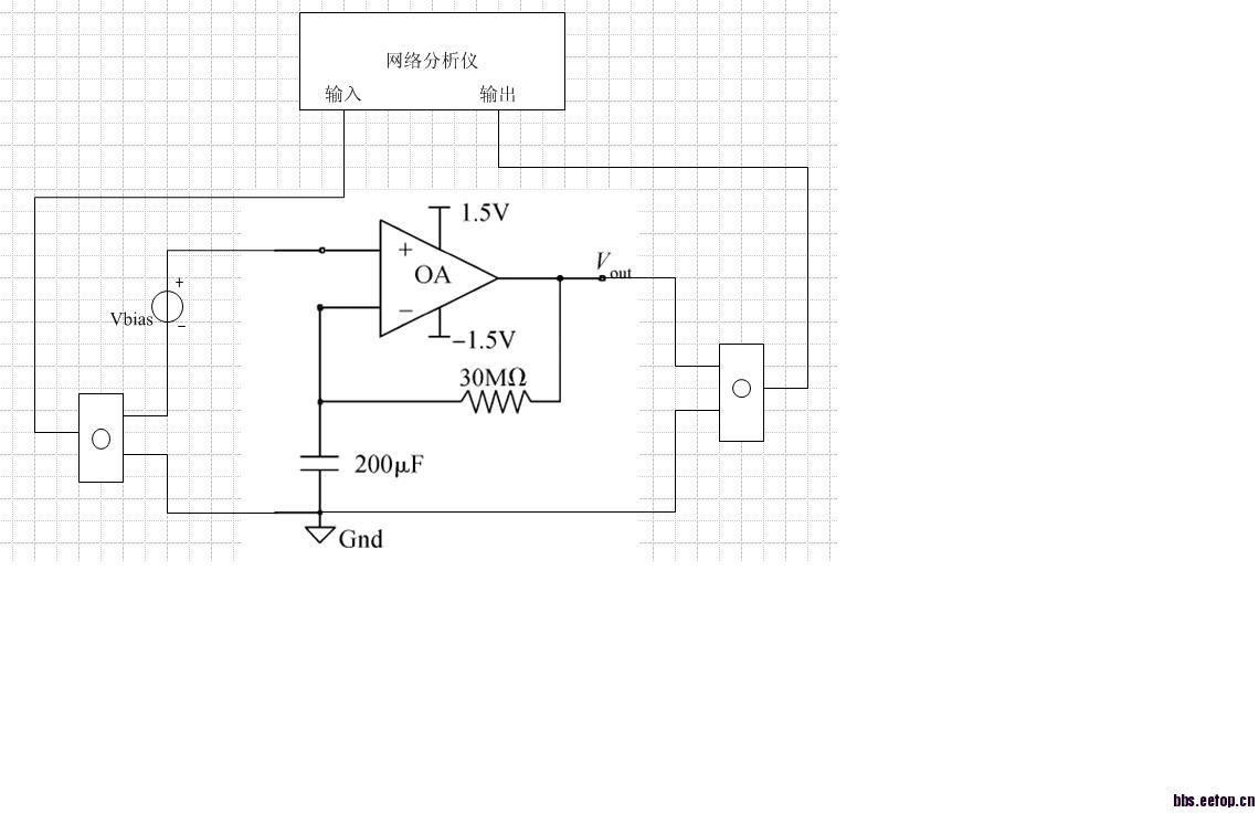
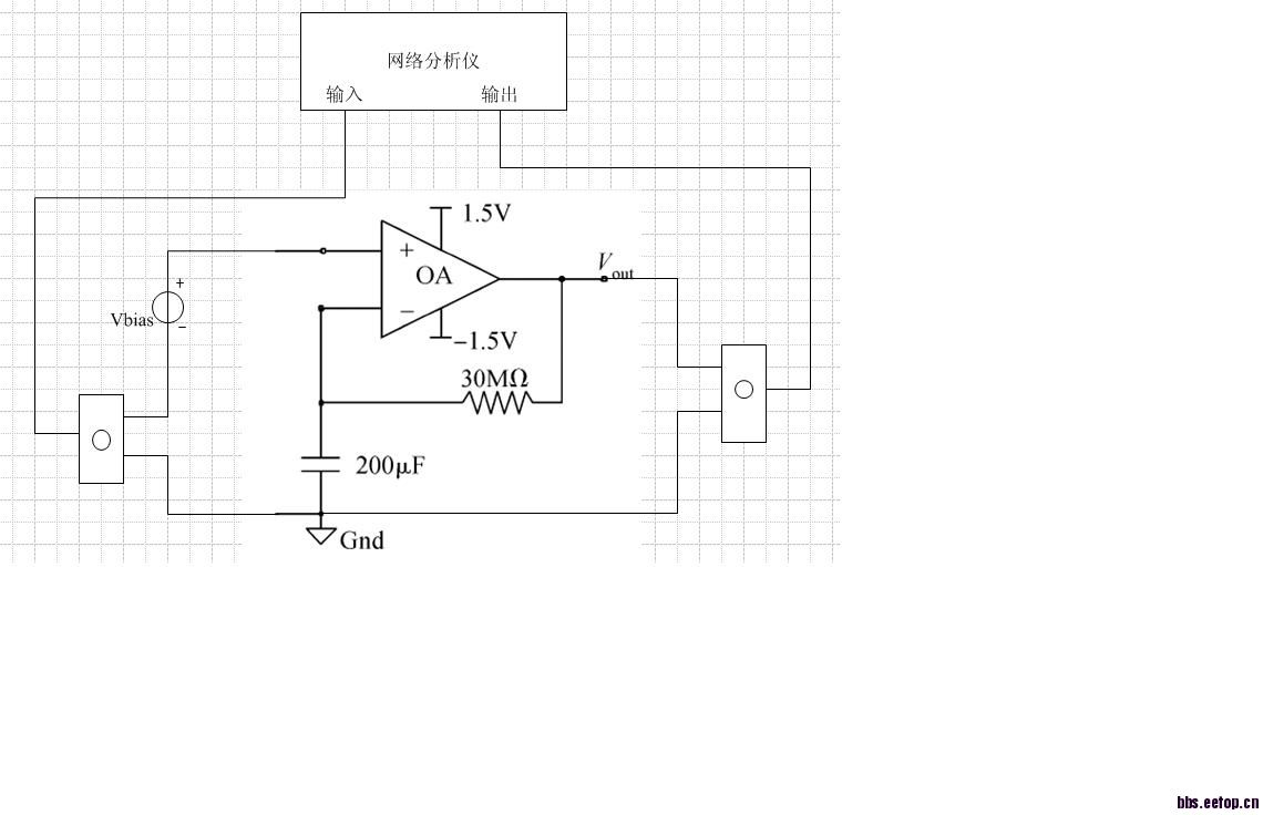
这次流片,流了个运算放大器(单电源),但是测试的时候遇到问题了,还不知道如何测试? 现在手上有电源,示波器和一个网络分析仪,安捷伦的E5071,请教大神,。 在一个paper上看到一种方法是如下图测试方法,不知道对不?

2012-7-2 22:18


运放测试有标准的
SJ/T 10738-96半导体集成电路运算(电压)放大器测试方法的基本原理
是原来的GB3442-86降级的标准
楼上的能详细描述下啊?
学习学习
什么paper,能否共享下!
什么文档?可以共享下吗?
想用网络分析仪测试带宽和增益?怎么测?
尝试学习中 谢谢
申明:网友回复良莠不齐,仅供参考。如需专业解答,请学习本站推出的微波射频专业培训课程。
上一篇:带反馈绕组的变压器(transformer) 在Cadence用什么表示?
下一篇:求助!哪位大侠知道如何实现单端模拟信号转差分信号!

