采保放大器输入端的电容是干什么的?

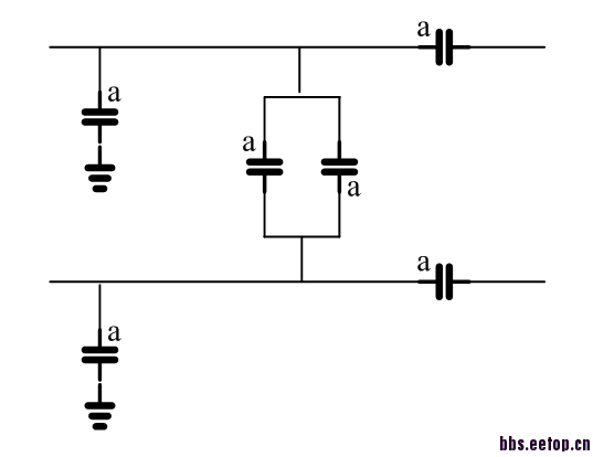
如图为采保放大器输入的前端,每个电容旁的a表示此边为底极板
最左边卫外部模拟信号输入正负端,最右边两个电容是采样电容,后面接运放的输入端
为什么在差分输入间要跨接两个方向不一致的电容,并且为什么每个输入端都有个顶极板到地的电容?
这个是为了解决kickback的问题,特别是如果外部输入信号通过封装灌入片内,而封装电感较大时。kickback不能很好地通过信号源的低内阻泄放,只能通过片上的decouple电容泄放。实际上,为了防止该电容和封装电感谐振,最好在电容上串联一个电阻,以降低Q值
能不能提供一下各电容尺寸?
左边两个是decouple,中间两个是干嘛的?
电阻尺寸多大?
功能类似啊,采样电容前一时刻,PN两端是差分的信号。当然也要提供一个差分的decouple通路
大概数量级多大呢?会不会影响功能。
pF级,不过这个也要看采样电容多大。
感谢解答,kickback是从哪来的,是采样开关耦合过来的么? 这些电容其实是为了减轻信号源的负担么?电容都是pF级的
一方面是采样开关,另一方面也是采样电容本身,因为
采样电容在接上信号的一瞬间,必然要sharing电荷,这个时候,外部的信号源通过封装电感,根本来不及响应这个sharing,只能靠里面的电容。
謝謝分享
如果Cs=1pF,那这几个电容分别需要多大?
还有个疑问,既然是decouple的,输入也是高频信号,不是把输入也decouple了么?
不要定性地说高频,输入信号的频率一般要比kickback低很多,电容也要一个trade off
能不能具体说明一下中间那两个电容的作用,谢谢啊
申明:网友回复良莠不齐,仅供参考。如需专业解答,请学习本站推出的微波射频专业培训课程。
上一篇:规则文件转换
下一篇:二阶系统函数如何写成图中表达式形式?

