请教BIAS电路设计原理(电路图内附)
录入:edatop.com 阅读:

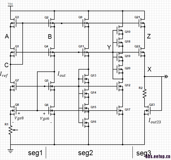
一简单的CONST-GMR 电路图, 设计者进行了改良,不理解的是图中那些4排串联的NMOS 和PMOS 有何作用,为何不简单用一个DIODE CONNECTED NMOS OR PMOS?
请指教
相当于一个倒比尺寸的管子,为了好在layout上match,就弄成串联的形式了
感谢回复 但如果这样为何要把GATE TIED TOGETHER,完全可以做DUMMY啊。另外发现如此连后,4排中间几个MOS可能会工作在TRIODE REGION。 继续求教。
That MOS you can think as one MOS with large L and small W, for the sake of layout optimization, you can using multiple MOS with small L and small W with such kind of connections.
申明:网友回复良莠不齐,仅供参考。如需专业解答,请学习本站推出的微波射频专业培训课程。

