大家都过了看看,这个运放能正常工作吗,求坛里面的大神帮忙解答下
录入:edatop.com 阅读:
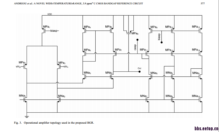
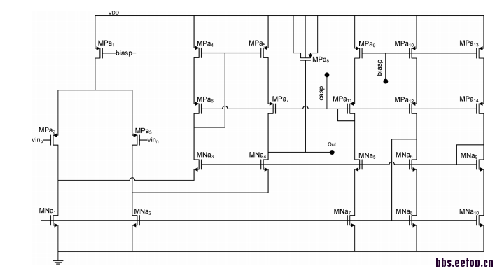
大家好,这是一个用于带隙基准的自偏置运算放大器,如下图,运放的输出端接在biasp端,casp端要接到带隙核心电路里面去做偏置,请问这个电路能正常工作吗



自己顶一个
目测应该可以工作的,所有自偏置运放都是用运放的输出来偏置自己的微电流源。
这样才能提高环路增益,不过这个电路需要很好的启动电路否则没法工作
你好,谢谢你的回复,是的,这个电路很不好调,我想知道运放也需要加启动电路吗,还有,要加的话,是应该加在哪个地方的呀,还有自偏置电路可以提高环路增益,怎么理解,我是菜鸟,能帮我解答下吗,谢谢
启动电路可以加载运放的输出,也就是pmos的微电流,另外pmos cascode期间也需要启动。
首先,自偏置运放是存在正反馈的,所以整个系统稳定必须保证正反馈增益环路<1,
其次,我理解的正反馈提高运放的增益是可以通过反馈系统来理解,最后运放的增益Hclose =A/(1-LG)>A.
最好还是找点自偏置运放的论文仔细看看。
启动电路可以加载运放的输出,也就是pmos的微电流,另外pmos cascode期间也需要启动。
首先,自偏置运放是存在正反馈的,所以整个系统稳定必须保证正反馈增益环路<1,
其次,我理解的正反馈提高运放的增益是可以通过反馈系统来理解,最后运放的增益Hclose =A/(1-LG)>A.
最好还是找点自偏置运放的论文仔细看看。
申明:网友回复良莠不齐,仅供参考。如需专业解答,请学习本站推出的微波射频专业培训课程。
上一篇:用二极管做一个1.2V的输入限幅电路 需要注意些什么?
下一篇:cadence spectre仿真HB仿真中的sweep1 和2,两个变量扫描有什么联系

