首页 > 微波/射频 > RFIC设计学习交流 > 关于改善下面这个运放SFDR的方法?求助帖?

关于改善下面这个运放SFDR的方法?求助帖?

录入:edatop.com    阅读:



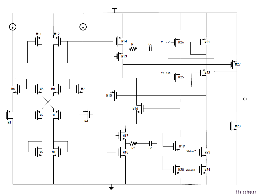
其中3次谐波高于二次谐波
如图:


申明:网友回复良莠不齐,仅供参考。如需专业解答,请学习本站推出的微波射频专业培训课程

上一篇:二阶一位量化sigma_delta ADC的有效位数能达到多少
下一篇:晶振电路中反相器的输出电阻仿真方法哪个是对的?

射频和天线工程师培训课程详情>>

  网站地图