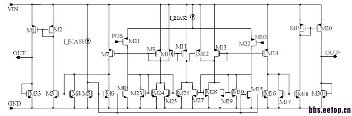
differential 输出error amp 设计
录入:edatop.com 阅读:
这类differential 输出error amp 设计方式是否只要对秤
W/L
就可以
?

但是 这类设计误差放大器有何缺点和优点 ?
还有
compensation 部份好像没看到有加
对称型 OTA 结构
http://bbs.eetop.cn/viewthread.php?tid=377949
申明:网友回复良莠不齐,仅供参考。如需专业解答,请学习本站推出的微波射频专业培训课程。
上一篇:RTC晶振不起振,求解决
下一篇:一个栅压自举开关的问题

