关于开关等效电阻对开关电容电路的噪声的影响的问题
录入:edatop.com 阅读:
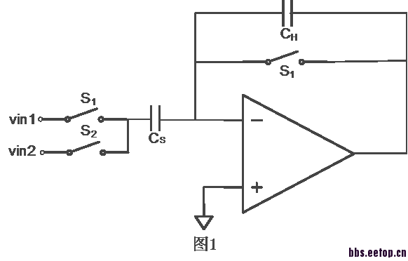
在分析开关电容电路时,遇到了下面的问题:
图一中开关等效电阻变化,仿真的噪声不随电阻的变化而变化。

图2 中开关与保持电容串联,,这个开关的等效电阻将影响到整个电路的分析,噪声随着电阻的增大而增大,并且不再与电容成严格的反比例关系

这是什么原因导致的?
目前我分析大概是产生了一个零点,可是怎么样从数值计算上得到可以和仿真一样的结果呢?
图一中开关等效电阻变化,仿真的噪声不随电阻的变化而变化。

图2 中开关与保持电容串联,,这个开关的等效电阻将影响到整个电路的分析,噪声随着电阻的增大而增大,并且不再与电容成严格的反比例关系

这是什么原因导致的?
目前我分析大概是产生了一个零点,可是怎么样从数值计算上得到可以和仿真一样的结果呢?
顶一个!马哥哥给我讲讲LNA NQS模型和功耗约束下的噪声匹配!
不会。
申明:网友回复良莠不齐,仅供参考。如需专业解答,请学习本站推出的微波射频专业培训课程。
上一篇:BSIM1,2,3,4的区别
下一篇:bandgap设计问题

