关于一种运放负载的讨论

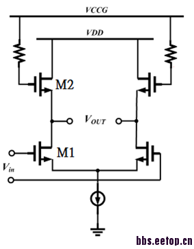
上图是一种运放的负载结构,这种结构是利用管子CGS产生高频零点提高带宽。
关于该结构,有没有资料有详细分析的,主要想知道具体在运放中各个零级点的表达式,电源VCCG大小的选取等等

这是运放的原理图,来大牛解释下!
自己推,明显降低寄生电容的
这是利用寄生电容产生高频零点的,用来提高带宽
画出小信号模型,推导一下就能知道了。
嗯,小信号好理解,主要是大信号DC工作点怎么确定
根据下面尾电流源的电流,一半是通过PMOS,然后选择W/L,一般选择是尾电流源宽长比的1/5(主要是2.5*2),算出PMOS管的过驱动电压,加上Vth,就是PMOS管直流偏置。
如果这样还有问题,告诉我一下。
肯定有问题啊,那个是NMOS,这个偏置电压应该是根据差分输入的swing来确定,我都不知道你那个1/5是怎么来的
通常都是根据过驱动电压确定宽长比,你为啥可以根据宽长比确定过驱动的
囧,你没说有摆幅要求,也没说尾电流源电流多大过驱动电压多大。如果有摆幅要求,那就得考虑细致了,首先偏置电流是确定的,输入管上下限电压也要确定,输入管一般偏置在0.5VDD,那么就能确定尾电流源漏极的电压范围了。然后就能确定尾电流源栅极的电压大概是多少了,就能确定它宽长比了,同理,PMOS的也能确定了,最后选定输入管的宽长比,也是类似的。
是这样的,这个电路我要用于比较器的pre-amp,输入电压共模值900mV,幅度最高时正负100mV,电源电压可以是1V 也可以是1.3V,我打算尝试用1V,不行的话转0.3V,然后就是输出的交流增益Peaking出现在2.5G-4G的频率下,请问该怎么考虑?我先看看你的想法,再决定怎麽弄,谢谢!
这个电路是有源电感的电路!同时也是为了克服低电压而使用了两个电压的原因!
申明:网友回复良莠不齐,仅供参考。如需专业解答,请学习本站推出的微波射频专业培训课程。
上一篇:怎麼找kn'&kp' 使用cadence
下一篇:高速差分电荷泵的设计

