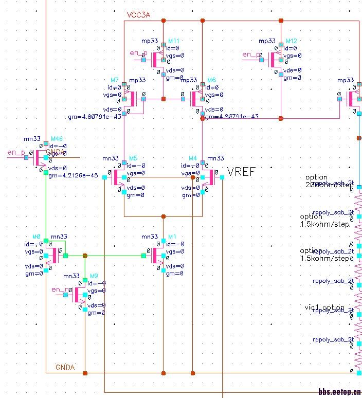
上电复位信号的根本目的
录入:edatop.com 阅读:
上电复位信号en_p、en_n会在复位时分别使pmos、nmos导通,这样做得根本目的是什么?
把电路关掉啊
power-down
这不是复位是power down吧
申明:网友回复良莠不齐,仅供参考。如需专业解答,请学习本站推出的微波射频专业培训课程。
上一篇:请问,LDO的旁路电容Cb是怎么来的?
下一篇:delta-sigma modulator 的具体电路在cadence中如何实现

