全差分套筒式增益自举放大器
录入:edatop.com 阅读:
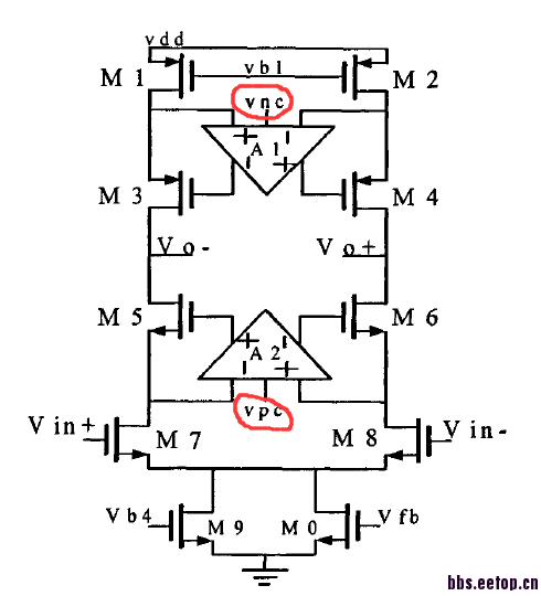
最近在仿真全差分套筒式增益自举放大器,辅助放大器中Vnc和Vpc是用来干嘛的。论文里说是用来设定M1、M2和M7、M8的漏端电压值,看了以后还是云里雾里的。
就大神指点一下,小弟感激不尽。

就大神指点一下,小弟感激不尽。

用来控制辅助放大器共模电压的
共模反馈
GAIN BOOSTING 与主运放一样,也需要CMFB!
input-CMFB
请问是怎么控制辅助运放的共模电压的。?或者说怎么实现共模反馈的,,?
你好,请问输入的电压时怎么实现共模反馈的 ?
申明:网友回复良莠不齐,仅供参考。如需专业解答,请学习本站推出的微波射频专业培训课程。
上一篇:轻载时BUCK效率
下一篇:吉尔伯特混频器仿真设计

