首页 > 微波/射频 > RFIC设计学习交流 > 请教个问题 ,求解答

请教个问题 ,求解答

录入:edatop.com    阅读:



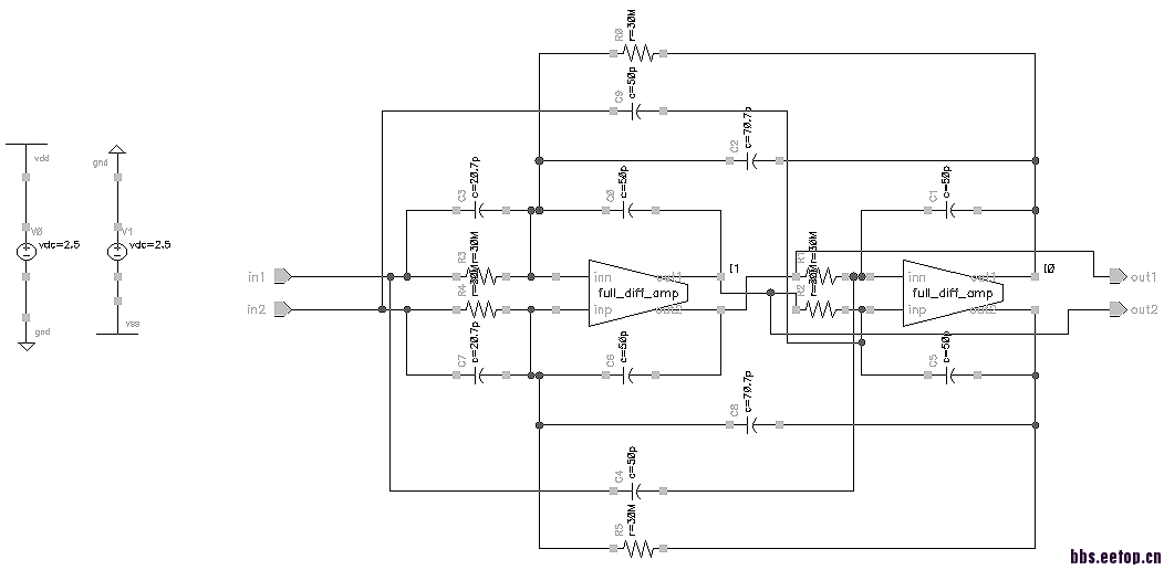
请问一下 这个二阶滤波器的结构是什么意思呀  我有点看不懂呀

biquad 啊,推导一下传输函数就知道啊。

有源二阶滤波器,查看一下资料吧

申明:网友回复良莠不齐,仅供参考。如需专业解答,请学习本站推出的微波射频专业培训课程

上一篇:请问下谁有0.35um的PDK库文件,能否发我一份,谢谢了
下一篇:刚刚接触模拟电路,求明路

射频和天线工程师培训课程详情>>

  网站地图