运放开环增益仿真方法?


请问上面两种开环增益的仿真方法有什么不同,我仿真一个推挽输出运放,两种方法出来增益带宽都不一样。
1、第一种方法仿真时候,如果输出接上负载电阻后,电路的静态工作点就不正常了,输出没有跟随输入电压,差分输入管的电流也没有均分尾管电流;但是不挂负载电阻仿真,增益和静态工作点都是正常的。请问是什么原因导致的?
2、用第二种方法仿真,运放静态工作点基本正常,除了推挽输出的p管和n管工作在亚阈值区,但是出来的增益非常小。即使不考虑推挽输出级,单独看第一级折叠共源共珊增益也很小(第一级折叠共源共珊工作点均正常)。
请各位大神指教。
我也想知道这个问题的答案是什么
我现在也碰到同样的问题,何乐年的书里提到了这种直接仿真开环增益的方法,理论上来讲两种方法仿真结果应该是一样,请高手分析一下!
顶···
把长度调大一些会不会有用呢?第二种方法测试的时候。
感觉还是小编的放大器没有设计好。
正如小编所说,在用第一种仿真方法时,接上负责电阻会导致工作点错误,可能是因为所加的负载电阻比较小,输出驱动管的驱动能力还不够大。同时,用第一种方法时,放大器的负输入端的工作点是靠反馈形成的。此时放大器的输出有错误,反馈到放大器的负输入端的工作点就有错误,进而导致整个放大器的工作点都有错误。
如果用第二种方法,放大器的输入端的静态工作点都被理想电压源所决定,没有反馈,因此放大器的输入管的静态工作点应该是正确的。但输出管工作点肯定是错误的,因为输出管的驱动不够。
总之小编可以先把驱动管的电流加大试试。这两种仿真方法得出的结果应该是一样的!
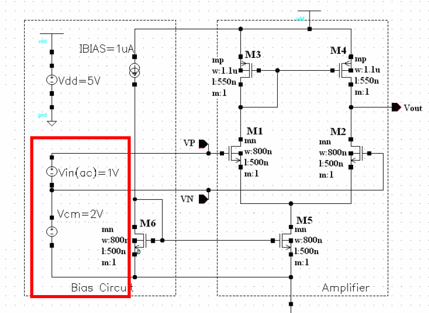
差点以为是我发的贴,很久以前我也有这个疑问。其实仿真方法上有问题,放大器需要有一个直流工作点(我用gnd来表示,实际上可能是电源中心电压),而信号是在工作点的两边输入的,也就是说,正端为gnd+v 负端为gnd-v,而不是像这个仿真这样都是gnd+v 和gnd+2v
第一种闭环的仿真是没有问题的,这个直流工作点是正确的。第二种仿真可以把输入端用两个压控电压源代替,注意一正一负就行。
申明:网友回复良莠不齐,仅供参考。如需专业解答,请学习本站推出的微波射频专业培训课程。
上一篇:SONNET EM仿真电感Q值偏大?
下一篇:对于带隙基准中运放和稳定性的一些问题

