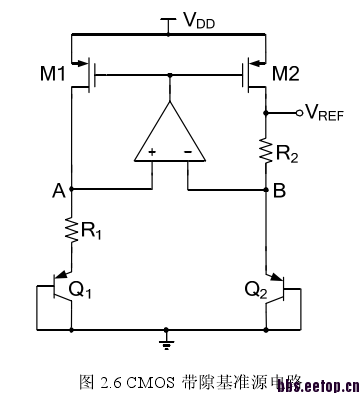
关于带隙基准结构和反馈的一些问题



有各种不同的样子,
电阻和运放的接法是要使环路处于负反馈
直流仿真正极电压大是什么意思?先别急着仿真 看看书先把最基本的BGR理论搞清楚了再仿 原理不清楚就仿真没有意义
1,没什么本质区别,2,是。确保整个环路负反馈。
这些结构小编在什么书上看到的?
想了一下分别从正反馈环与负反馈环输出的区别,不知道是不是在瞬态跳变的过程中会有什么不同,瞬态响应时正反馈环更快?
不管怎样的接法,保证稳定是第一位的。有的环路存在两个反馈一个是正反馈环,一个是负反馈环很正常,保证负反馈更强可以维持电路稳定
3个电阻可以让P电流源VDS一致,提高匹配。R2或者R3出ref倒差别不大
楼上正解
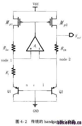
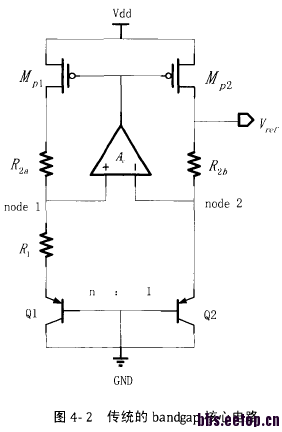
谢谢您的回复,我在仿真的时候发现,对于下面这个电路,如果Vref接在放大器正极那一侧,后面再接上误差放大器,Vref就会产生震荡;但是如果Vref接在放大器负极一侧,也就是R3和M2的漏极之间,后面再接上误差放大器,Vref就是正常的1.2V左右,不会震荡。对于这两种接法,正负反馈的系数应该是一样的啊,为什么会产生不同的结果呢?
后面再接EA?接哪个EA?
如果是LDO里的EA,看下是不是输入电容太大。
光用文字表述很难说清楚,最好贴上图。
恩,就是LDO中的EA,输入电容也就是fF量级吧。
输入电容过大会导致什么后果呢? 为什么在左侧和右侧接出去时候得结果不一样一个震荡一个不震荡呢?
因为输出电阻不一样,极点位置也不一样。加上负载以后你的环路稳定性就会变化。
申明:网友回复良莠不齐,仅供参考。如需专业解答,请学习本站推出的微波射频专业培训课程。
上一篇:提取寄生参数时是不是一定需要LVS pass才行?
下一篇:请教DRC设置问题

