关于电容的正负极的问题
录入:edatop.com 阅读:
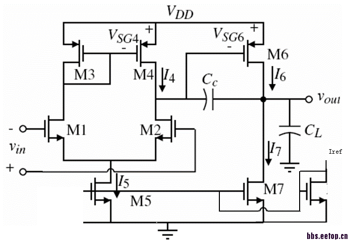
在spectre中,apmom电容有正负两极,比如在这个二级运放中密勒补偿时,电路图如下图。那这个电容正负极应该怎么接呢? 把电容的两极板对调过来行不行呢? 是都可以还是必须只有一种接法能工作?会对放大器的特性造成很么影响呢? 求解
mos电容要考虑正负极,mom关系不大。
mos一端要接地吧
在运放中做补偿不可能是用MOS电容
亲 不知道你说的apmom具体是什么样子电容。不过一般来说,正负极不讲究的,实在不放心的话也可以后仿真看看区别哈。
这个看需要!不绝对
怎么不可能。用的很多呢。
做nwell里就不用。
积累型MosCap也是有方向的。
类似所谓的VarCap
是啊,我是说mos电容有方向的。
我回复的是nwell的电容另一端不用接地。
只要不是电解电容,正负极一般无所谓,但是可能有一端的寄生电容会大一些。
ic里哪来的电解电容。
对于Psub工艺来讲,NMOS电容的下极板(通常取源漏端)必须接地;而PMOS电容的下极板通常是Nwell,可以接其他电位。
由于MOS电容有MOS Vth的影响,所以不宜用于运放的Miller补偿电容。而作为负载电容尚可。
(即:MOS电容在两端正向压差小于Vth时,等效电容值=WCoverlap,很小。)
我不知道apmom电容结构
如果它是 Metal to Metal,或者Poly to Metal,则适合作为运放的Miller补偿电容。
申明:网友回复良莠不齐,仅供参考。如需专业解答,请学习本站推出的微波射频专业培训课程。
上一篇:电容失配与pipeline ADC精度
下一篇:Hspice瞬态仿真的初始状态设置

