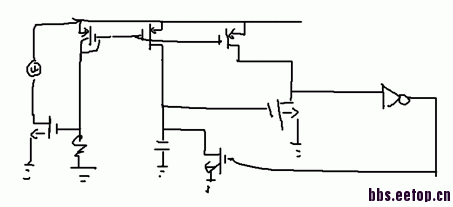
从工艺稳定性上考虑张弛振荡器的优点
录入:edatop.com 阅读:
怎么从工艺稳定性上面考虑这种结构的优点呢?

希望大神解答一下

希望大神解答一下
IRC OSC
在工艺稳定性上面考虑,这种电路有什么优点呢?
申明:网友回复良莠不齐,仅供参考。如需专业解答,请学习本站推出的微波射频专业培训课程。
上一篇:关于自动清零电压比较器工作原理
下一篇:请教各位:为什么带隙用三极管不用二极管啊?

