采样电路:电容翻转式采样,采样不了
录入:edatop.com 阅读:
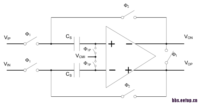
做了一个电容翻转采样保持电路,输出严重低于输入信号,可能是仿真时信号加的有问题,采样时运放要加共模输入电压吗,采样底板的VCMI共模电压取多少合适,
我的运放共模输入范围是0.15-1.37V@电源电压1.8V,增益110dB,带宽650MHz,
请问“仿真时”
1采样底板的VCMI共模电压取多少合适,
2输入的采样信号还要额外加共模电压吗
3输出还要带负载电容CL吧?仿真原理图如下,关键我觉得自己仿真设置有误(我输入的是幅度0.5V的正玄波,VCMI设置为0.9,带负载3.5p,采样电容设置0.2p)
”求仿真设置“ 谢谢

出严重采样不了

申明:网友回复良莠不齐,仅供参考。如需专业解答,请学习本站推出的微波射频专业培训课程。
上一篇:小数(MASH1-1-1)PLL的杂散问题
下一篇:MPW费用7折优惠

