分段型8位DAC流片后测试低位波动很大,请教下原因?
录入:edatop.com 阅读:
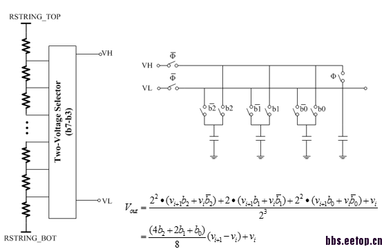
分段型8位DAC,高5位电阻串型,低3位电容型,流片后测试低位波动很大,请教下原因?


开关时间不同吧
可否具体指教下?申明:网友回复良莠不齐,仅供参考。如需专业解答,请学习本站推出的微波射频专业培训课程。

