全差分运放和sc-cmfb组成的环路的增益和相位裕度怎么仿真
录入:edatop.com 阅读:
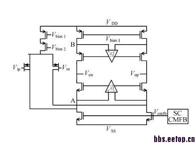
如下图的结构,如何仿真环路的增益和相位裕度呢?


求大神出面
小编,你的问题解决了吗?我也碰到这个问题了,能分享下你的方法吗?非常感谢
申明:网友回复良莠不齐,仅供参考。如需专业解答,请学习本站推出的微波射频专业培训课程。
上一篇:求助:spectre仿真数据过大,结果不能查看,怎么办?
下一篇:smic.18下轨到轨运算放大器为何GBW这么小

