电压跳变检测电路-求助
录入:edatop.com 阅读:
在模拟电路中希望实现这样一个功能,对于一个信号,0V变到6V或者6V变到0V时输出高电平,在静态的时候输出低电平,也就是起一个电压变化检测的作用,
有点像D触发器,但又不太一样,
我在想用延时异或门不知道可以吗,输入A是该信号,输入B是延迟一段时间的信号,
请大牛讨论指点一二
有点像D触发器,但又不太一样,
我在想用延时异或门不知道可以吗,输入A是该信号,输入B是延迟一段时间的信号,
请大牛讨论指点一二
可以啊。注意信号变化时间,延时大小与精度等细节问题。
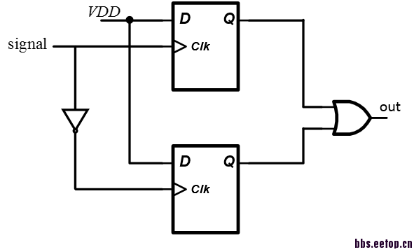
不行,通过异或门得到的是一个ns级的窄脉冲,而输出并不为1。还得加上一个输入为VDD的DFF,用此脉冲作为DFF的clk,才行。但是DFF的清零处理(包括事前和事后)要做好。
用异或门可能不行,我想了一个电路,你可以参考一下。
申明:网友回复良莠不齐,仅供参考。如需专业解答,请学习本站推出的微波射频专业培训课程。

