请问这种bias实用么
录入:edatop.com 阅读:
rt......
是的,这种bias很常用。
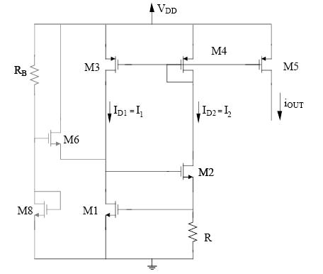
请问Iout输出值如何确定,有没有对这种电路相关介绍?
I2*R=Vgs1
I1=0.5uCoxW/L(Vgs1-Vth)
I1/I2=M3和M4的宽长比之比
Vt基准偏置电路 具体参考Paul的Analog Design一书
下来看看
实用。电流随电源电压变化很小。
适合电源电压比较高的情况,电源电压太低时不好用。
另外,小编这个图里的启动电路貌似不太合适,左面M8应该是两个mosfet串联。
挺实用的吧,我曾经见过这么做的
PSR会好,但var很大吧
申明:网友回复良莠不齐,仅供参考。如需专业解答,请学习本站推出的微波射频专业培训课程。
上一篇:CSMC .35工艺LVS的comliation error
下一篇:candence版图后仿真 tran不收敛

