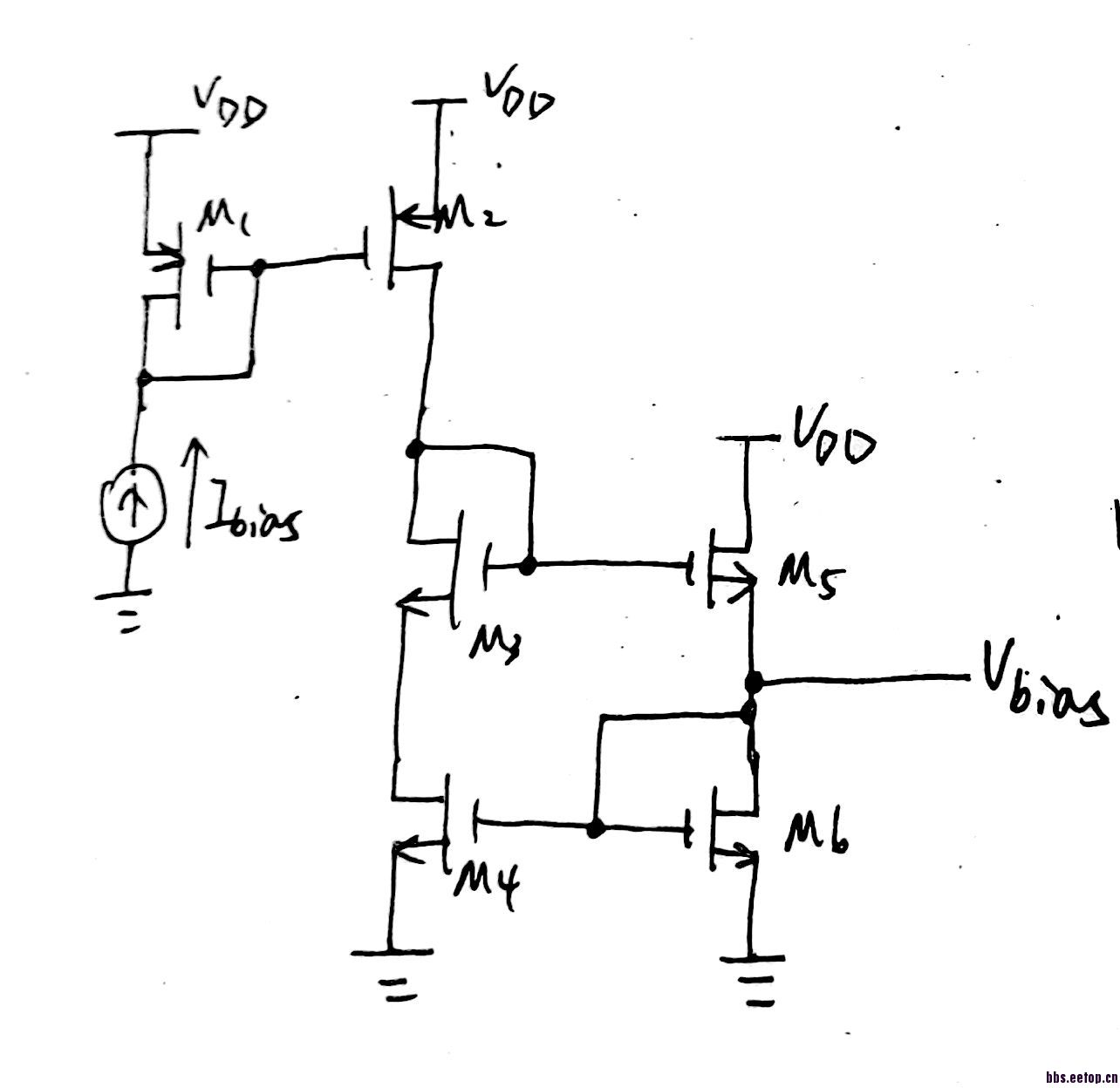
这种偏置电路是提供电压偏置的?

遇到这样的偏置电路,M6漏端给出偏置Vbias ,M2应该是线性区吧,这个偏置是给follower的,有没有人能讲一讲这个偏置有什么好处,常用吗?之前看论坛上讨论过电压偏置和电流偏置的优缺点的 这种电路是不是就是一种电压偏置电路?
电流镜。不过最后的电压偏执从M6的gate 输出浪费,还不如不要M5,M6。直接用M4做diode的gate输出。因为该电路没有省如电压 headroom,浪费一路电流
我刚看到的时候也觉得好像相对普通的电流镜并没有什么优势 我以为可能是稳定性或者什么方面更好 在我看到的电路中很多地方都用这种结构,Ibias是从电流源模块拉过来的 之后经过这样的电路给其他电路提供偏置 比如follower以及放大器
M2应该是线性区?这有什么好处?看不出来
起到电阻的作用使电路脱离简并点 确定两支路电流
补充一点,这个要看用途的。如果说有点好处的话,就是输出节点看到vdd的阻抗较小,多了几百毫伏的电源 headroom,如果是一般的应用,可有可无。
同意二楼
1. M2是电流源,不能在线性区;
2. 输出是Class AB,适合驱动大的电容负载或者负载端可能有抖动耦合的情况.直观来讲,原来的diode形式的电流镜输出阻抗只有1/Gm,而且输出端负方向的slewing rate受限于M2的电流;现在输出阻抗是2/Gm,并且双方向的slewing rate都由Gm来决定。
如果VDD为典型3.6V的话。
M2漏端电压2Vgs,这个可以一定程度上减小M1和M2由于沟道长度调制效应引起的电流匹配误差。
后面两路类似cascode镜像,所以电流镜像匹配较好。
所有管子都应该工作在饱和区。
个人观点,欢迎指正。
M4下面少个电阻吗?
不少 我以为M2应该起电阻的作用
电压偏置么?能否仿真下看看Vbias会不会随VDD变化?
是电压偏置 给follower的电流源栅极提供一个电压 看起来会浪费电流 我确实要仿一下 会测一下PSR 不过这是超牛公司的电路总觉得人家这么做是有道理的 只是自己还没搞清楚
如果这是超牛的公司的产品,那么他这么做的道理很可能就是故意让你看不懂。
小编这么说还是有道理的 这要是真的简直细思极恐 这种偏置还不是一个地方这样,有些放大器的的尾电流偏置也是这样 还有些电路的设计感觉超过了小弟的认知范围,比如follower的电流源L并不是很大,输出阻抗看起来比较小,使得小信号增益比1小了很多,可是做缓冲器的电路减小了输入信号并不有利于后级电路处理······
对于某些公司的产品,如果没有能力进行工艺层面的剖析,还是放弃吧。
这个是用于ADC 输入级驱动的input buffer? 可能是要做一个环让vbias 的稳定吧?
他们肯定是看高大上芯片,那些工程师没这么无聊
毕竟还是有些公司会用改变工艺参数的方式,对常规工艺里做出来性能很差的电路进行改进,从而达到让别的人无法复制的目的。
前辈猜的对 确实是一个input buffer 但目前的情况确实是像我前面跟帖里面说的 电流源L比较小大概是最小沟道长度的两倍多点 通常来讲这并不符合希望的接近1的增益 但还有个问题是由于模拟通路的带宽比较宽,考虑到摆率的要求应该有大电流偏置,这样对电流源尺寸的要求又会比较大(非常大),如果让W/L同时增大几倍,那么follower的尺寸简直是不可接受的。至于这个偏置电路做成这个样子,我想应该是在Vbias或者PSR方面相比普通电流镜偏置好些吧
哦?小编知道有公司这个干?
TI是自有foundry就不说了,其他的大一点的会有驻厂PE。
小编应该是抄高速ADC 的线路,这种产品一般不搞这个,怕弄巧成拙
你说说看这个input buffer 驱动什么样的电路?多少bit 多少MHz 的adc, 这样比较容易,几V供电。
哦哦,前辈说的是。
超高速adc防抄主流在后端数字校正里做手脚了吧?
有的时候是整体工艺参数会优化,比如说pmos ,nmos 阈值调调,或者电阻电容值调调之类的。必须要保证一致性。
了解,多谢前辈指点。
驱动采样保持电路 具体多少位分辨率 速度多快 我就不透露了 就像你后面讲的即使他们要调参数也是整体优化 应该有这种可能 实在不行这就得自己来了
呵呵,你这样的不够厚道。需要人帮忙还不提供足够的信息。那您就慢慢弄吧。
扯得都够远的,这不是书上的基础电路呢
申明:网友回复良莠不齐,仅供参考。如需专业解答,请学习本站推出的微波射频专业培训课程。

