关于带隙基准中的电阻分配方式
录入:edatop.com 阅读:
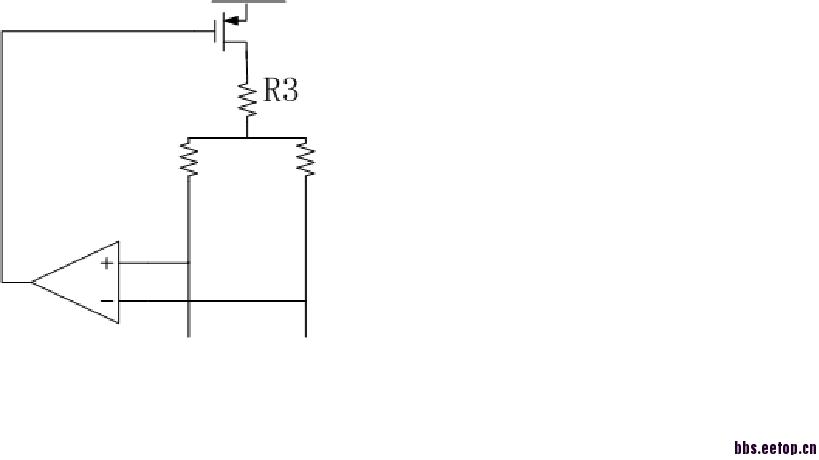
对于有运放的带隙基准电路,用电阻使三极管中的电流相等,那么下面的图中,有R3和没有R3会有什么影响吗?(除了R3可以用来修调外)
i=Vt ln n / r 电流与上面电阻无关。电压自然有关。
使运放共模输入电压减小
除了微调没什么好处,如果不调就拿掉。它会让运放的offset对输出影响更大。
感谢回复,为什么R3会让运放的offset 对输出影响更大?
电阻构成的比例系数是不变的,都是等于Vt*ln(n)的系数,那么影响应该是一样的才对呀
你要看看Opamp的offset到输出的传涵。
申明:网友回复良莠不齐,仅供参考。如需专业解答,请学习本站推出的微波射频专业培训课程。

