Sigma delta KT/C噪声建模 出现问题 请指教
录入:edatop.com 阅读:



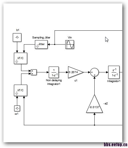
如上图所示 参照SDToolbox里面热噪声建模,KT/C模块中Random Number Seed一项,如果照上图设置,(注意两个random number seed不同)SNR只能到80dB,距离预想结果偏差太大(理想模型达到120多dB,四阶单环多位结构)。
如果设置为相同值,SNR可以达到105dB. 但是无论如何调节Cf(5pF至20pF之间),SNR几乎不变,明显有问题啊!
random number seed不就是给仿真一个起始量吗?为何影响这么大?原作者为什么要这么设置?头疼
请哪位大神指导一下
我顶一下 也许就有人回答了
申明:网友回复良莠不齐,仅供参考。如需专业解答,请学习本站推出的微波射频专业培训课程。

