带隙电路分析--带隙振荡问题
不胜感激!
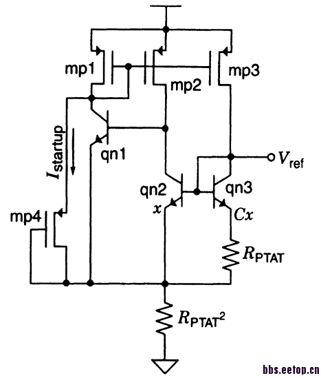
电路启动后mp4退出。主电路包含一正一负反馈环路。你在电路唯一的高阻点加入补偿电容即可(qn1 base)
您好,十分感谢您的回复。电路启动以后mp4并不会完全退出,但是它的电流不影响mp1的电流。
您能否把正负反馈环路说的更详细一点?很惭愧,这个电流我都没有看明白该如何断开电路来分析反馈的情况。
qn1 base如何加入补偿电容,也请您能详细说一些。
不胜感激,小生这厢有礼了。
1.mp1 mp2 qn1 +;mp1 mp2 mp3 qn1 qn2 qn3-。(环路增益你自己推一推)双环路相比单环路能提高bg psr。
2.qn1 base,这时唯一高阻点,加电容到地很容易稳定。
谢谢,按照您的方法加了电容以后就不在振荡了。两个反馈环路也可以定性的看出来了,环路增益我再算一算。
十分感谢。
以后自己要好好努力,向高手看齐。
loop gain 可從 qn1 的 base 斷開,接上一個 dc=0 的 voltage source.
再用 Hspice 的 .lstb 進行 stability 分析。
另外,請問此架構的出自於哪篇 paper ?
学习下
可以用STB仿真环路稳定性,但是跟多的是需要电路分析
赞一个
感谢小编
多谢您的回复。此架构来源于Rincon-Mora的Voltage References From Diodes to Precision High-Order Bandgap Circuits一书。
多谢您的回复。
为什么补偿电容夹在qn1的基级呢?
您好!想请教一下怎么去找到(分析)电路中的反馈环路?谢谢!
请问为什么双环路相比于单环路能够提高bg PRS呢?qn1,mp1,mp2,qn2构成的环路是正反馈环路啊,如何提高bg psr?
学习下
申明:网友回复良莠不齐,仅供参考。如需专业解答,请学习本站推出的微波射频专业培训课程。
上一篇:chrt018工艺仿真求助
下一篇:tsmc 参数 意思 电容 0.25um

