用spectre的PZ仿真和AC仿真作对比的时候不匹配,望大神帮忙
录入:edatop.com 阅读:
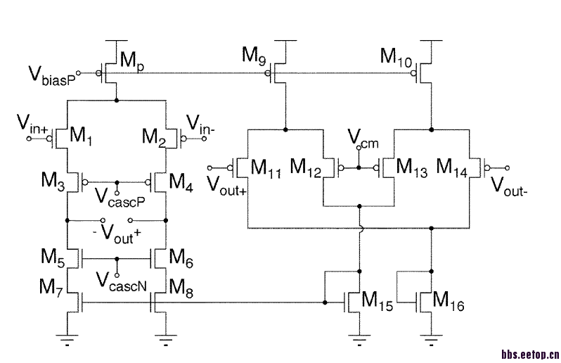
电路就是一个带共模反馈的telescope OTA,
下图是ac仿真的结果,3db点再24kHZ左右,GBW在2.9MHZ左右,相位裕度为90度左右

下图是把输入换成port后进行的pz仿真图(我就是把输入换成了port,给port DC电压,电阻设置的50欧姆)

主极点和ac仿真基本一样,但是多了个1.9MHZ的一个极点,在GBW里,应该会影响很多相位裕度,不可能是90度啊。还是pz仿真哪边有问题,望大神解答。感激不尽。
下图是ac仿真的结果,3db点再24kHZ左右,GBW在2.9MHZ左右,相位裕度为90度左右

下图是把输入换成port后进行的pz仿真图(我就是把输入换成了port,给port DC电压,电阻设置的50欧姆)

主极点和ac仿真基本一样,但是多了个1.9MHZ的一个极点,在GBW里,应该会影响很多相位裕度,不可能是90度啊。还是pz仿真哪边有问题,望大神解答。感激不尽。
ac仿真

可能是仿真精度的事
hspice也是这样,很多时候PZ仿真不可靠
谢谢了,那么一般pz仿真都是不做的吗,从ac仿真上来看大概的零极点吗
会不会是50欧姆和输入电容产生的极点?
AC仿真也加上50欧姆内阻试试?
有时候PZ跑的出结果并且有效的话可以参考下,不过很多时候PZ跑不出结果或者错误的结果,这时候只能参照AC了
加了个50欧的,还是没影响,这个极点应该好远好远吧。
你的电路没有零点?如果仿真电路不对称,会导致一些距离接近的极点和零点产生,这些距离相近的极点和零点会互相抵消,对带宽和相位裕度影响很小。但是我看看你的结果里面没有零点,这不科学
申明:网友回复良莠不齐,仅供参考。如需专业解答,请学习本站推出的微波射频专业培训课程。
上一篇:求助~阶跃响应时间与什么有关?
下一篇:求助有关巴克豪森准则中的环路增益问题

