PLL不锁定现象描述

PLL全部用电路模块搭建之后,PLL无法锁定,VCO控制端波形如上图(无法锁定):
各个模块的参数如下:参考频率5MHZ;CP电流50uA;VCO此时的工作频率为6.1GHZ,Kvco从150MHZ/V到250MHZ/V之间变化;1/N分频器N=1220;二阶LPF的C1=3PF,R2=400K,C2=12PF(R2、C2同支路)。

使用排除法,首先将VCO和BUF用理想Veriloga编写(此时Kvco恒定,设为200MHZ/V),此时的PLL可以锁定,这就可以证明PLL环路是稳定的,各个模块的参数设置应该没问题,可能是VCO的问题;
但是我将VCO用电路级代替,BUF和1/N分频器用理想Veriloga代替,PLL还是锁定的,又证明了VCO的电路没问题,这个就与上面的现象矛盾了。
因此我猜测可能是那个BUF的问题,但是我用的这个BUF是结构最简单的两个电阻做负载的差动对构成的,应该对PLL的锁定没有什么影响的。
上面的结论既证明VCO有问题另一个又证明VCO没问题,请问有没有人遇到过这样的问题?难道是BUF的影响吗?但是BUF结构很简单很常见,应该没什么影响的。还是VCO和BUF不匹配?(要是有附件的话不要下载。我发错了)
问题补充一下:
下面的tran怎么解释呀?看似锁定,但是并没有锁定,一直上下跳动

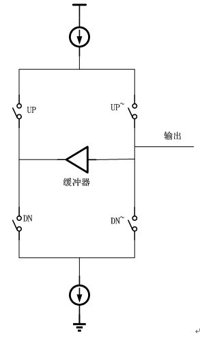
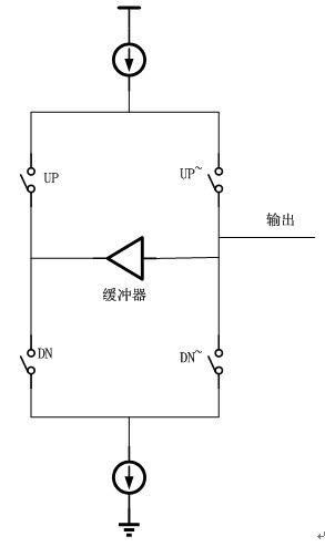
电荷泵的结构就是池保勇那本红色书中提到的结构,下图:

我前几天仿真的一个波形如下,怎么解释啊?

今天听到一个人说PLL的相位欲度可以通过仿真软件测试出来,用库里面的iprobe来测,请问有谁测过啊?他说手算的一般都很不准确

pm 估算了下 连40都木有
所用排除法实际并不成立,没有干扰情况可以锁定并不一定可以证明稳定性没有问题。从现象看起来还是像稳定性有问题,可以简单做个试验,把C2增加一个量级,看看情况有没有好转。
N=1000以上会不会有问题呢?N越大延时越大,jetter也不好弄啊?
N=100~200以上也不多见啊?
实际是这样吗?有知道的说一下呢?
问一下相位于都怎么算啊?
在这表述不清 随便看一个研究生论文 都会有详细的公式,一般 零点是截止频率的1/4 , 极点是截止频率四倍
先不管你的bug具体的原因,就环路参数来看,根据计算得知相位裕度小于30。这样的设计是不对的,但相位裕度不一定是造成不锁定的原因。你把CP中,开关的控制信号,打出来看一下
你想看哪个状态下的CP的控制信号啊?波形密密麻麻的看不清,我可以给你放大截图
我试了,还是没有锁定,会不会是VCO的增益变化太大了啊?
有些论文的N都是一千以上的啊
检查一下分频器部分吧。
仿真时的精度怎么设置的,VCO的频率很高,仿真时maxstep要设置的小一些,再看一下,看一下CP充放电是否正常
问一下这个和分频器有什么关系吗?
我的精度设置都是默认的,tran仿真的算法是moderate,还有,下面这个图你能不能帮我解释一下?
电荷泵的结构在下面
从这张图看,很像控制电压节点有漏电造成的。
那是什么原因导致漏电的呢?是VCO本身还是电荷泵?
建议把与控制电压节点相连所有支路电流画出来看看,希望能有所发现。
据个人分析:造成此结果的原因应该是Up,Dn电流源不匹配!Dn电流略大于Up电流,即Idn+deltaI = Iup, delatI << Idn, Iup, 所以Vctl的稳态需要先充一小部分时间的电,以抵消由于不匹配电流造成的电荷泄放,以最终达到净电荷deltaQ为0,Vctrl不变,由于这是电路固有问题,所以Vctrl的改变周期正好是参考时钟周期Tref,频率为5MHz,如原图所示。
至于相位裕度,的确不会超过42 deg,主要是小编分频比太大了,然后Icp又这么小,按照这样的分频比,Icp要等于355uA左右,才够。当然增大C2,也可改善相位裕度。相位裕度过小,导致Vctrl时域的建立时间无非是要很长的,至于振荡,相位最大接近-180,不满足振荡条件!
你的分频这么多,延时会不会影响 PFD呢?
Iup Idn不匹配
小编你的问题最后怎么解决的,我也遇到类似问题,真心求助………………
这个很常见
vvxvxvxvxvxvxvvxvxc
其实99%是你的低通滤波器电阻太大造成的,400K!,
从来就没有见过那么大的,别人都是400 Ohm!, 大一些的也就是1K~20K了,
那么大的电阻,charge pump的电荷都过不去,建议你把电阻减少到10K,然后重新计算环路参数。
你电路里面的问题太多了,
1, 电阻太大
2, C2/C1 =3, Razavi书上提到至少10~20. 也就是C2=100,C1=5~8 pf
3, 计算一下环路延迟,看一下对稳定性的影响。
4, 计算一下400K的电阻的噪声有多大
5,计算一下你的环路带宽, 我算了一下Wn=150K, Wc=600K, 你的wref=5MHz, 那么wc/wref>1/10 了。
多动笔算算。
LZ解决了么?
遇见一个差不多的问题,难不成是分频比的问题?
这个现象就是PLL不稳定,你的参数计算出的PLL开环特性很不理想。随便找个PLL的论文,都会有计算推导过程,你需要仔细计算调整LPF/CP参数。
单仿VCO+Buf,把Vctrl设置为VDD/VSS,保证VCO工作在最高频率,看buf是否能正确输出
Charge pump current mismatch is very large
mark。
申明:网友回复良莠不齐,仅供参考。如需专业解答,请学习本站推出的微波射频专业培训课程。

