如果LDMOS栅极不能耐高压,输出级改如何设计?
录入:edatop.com 阅读:
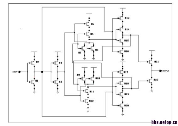
想用BCD工艺设计一个输出级,输出电平12V,最大输出电流为0.5A,但是发现这个BCD工艺没有栅极能耐高压的LDMOS,栅极最大就5V。我原来用的电路不能用了,应该怎么设计啊?不知道哪位大神能给予指点啊?附:我原来用的输出级。
BCD
耐压多少?
栅极5V,漏极40V
引入level shifter呢?
use nmos + resistor 做 level shift , and
pmos g-s 間使用 zener protect
level shift
申明:网友回复良莠不齐,仅供参考。如需专业解答,请学习本站推出的微波射频专业培训课程。
上一篇:用宏模型进行仿真的时候,Gm等效
下一篇:关于tsmc018 pex提取时,D(dnwpsub)二极管抽取不出来

