单端输出LNA怎么和双端输入mixer相连?
似乎得在两者之间加一个单输入,双输出的差分放大器,但不知道应该怎么设计(尤其是高频下),哪位大侠说说啊,要是有电路图更好,谢谢了。
射频库里有专门的balun,或者自己搭电路也可以,只要一个简单差分电路就好了(不过我没自己做哈)
Balun只有symbol,而且似乎没法集成在chip上,如果是接差分的话,差分对的负载应该是什么样的?
可以在LNA和Mixer之间做一个有源片上balun,实现单转双
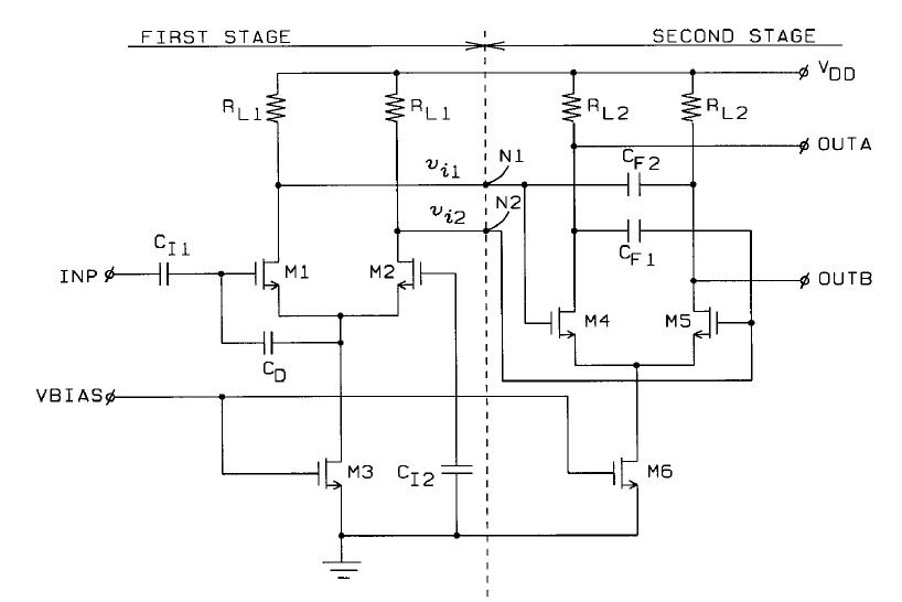
附件是一个参考电路

用这个电路感觉喧宾夺主了,毕竟是设计LNA和Mixer,中间却加了这么一个复杂的电路,没必要把?
直接将LNA单输出端接到Mixer的一个输入端,Mixer的另一个输入端接Bias直流电压这样貌似可以吧?
这要看你对单转双后增益、相位误差的要求了
对的,家balun对NF等有影响。mixer另外端加共模电压就行了。Qiu有篇MIXER的论文对这个问题讲的比较好!
119
http://www.163abc.comDF彩色冰淇淋机
沈阳基石机械开发DF彩色冰淇淋机厂家制造批发DF彩色冰淇淋机价格优惠024-24327539东方机械DF彩色冰淇淋机厂家024-84311113专业提供DF彩色冰淇淋机制作技术,设备采用人性化设计,本机采用高精度优质材料!基石电动DF彩色冰淇淋机 http://www.163abc.com 欢迎选购DF彩色冰淇淋机赠技术和现场操作光盘,赠DF彩色冰淇淋机资料:东方DF彩色冰淇淋机网站DF彩色冰淇淋机,全国发货,货到付款
ding
可以用 on-chip balun:
1. LNA 为何用单端结构:噪声性能和线性度都不好;如果是片外LNA, 另加别论。
2. on-chip balun 可以用 n-port + s-parameter 来仿真。AC 性能精度还可以,DC 有些偏差:S-parameter does not contain the DC point.
ding ,这个问题也想知道
请问是Qiu哪篇论文啊?能具体一下名字吗?谢谢
thank you
另一种办法是采用on-chip Transformer
过了LNA, NF就不太重要了.
Thank you very much.
xue xie le ,xie xie!
Many thanks.
我们做的好似就是 Mixer的一段只是直流偏执即可。
看你的要求了,没要求的话最简单的差分放大就可以
veru good
我觉得可以使用差分的LNA,这样是不是更好一点啊
用一个差分对就可以了,其中一个nmos的gate接lna的输出,另外一个nmos的gate接地。
学习一下
学习了,xiexie
感谢!nice
学习一下楼上的经验
做成伪差分的就ok了。
申明:网友回复良莠不齐,仅供参考。如需专业解答,请学习本站推出的微波射频专业培训课程。
上一篇:求教:一个带通delta-sigma ADC降采样滤波器的建模
下一篇:ARM成立25年 它交出了一份怎样的成绩单?

