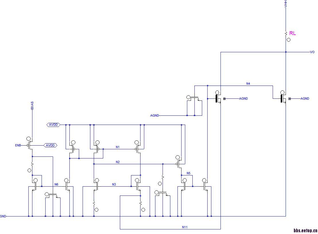
current limit 穩定度分析
如图电路为POWER MOS with current limit,
是利用一个与POWER MOS比例关系的NMOS去做current sense ,
进而当RL小时,也就是说负载电流大时,
Current 会被sense进而去控制 POWER MOS 的gate 端做 current limit的动作,
請問各位先進,此電路有穩定度問題,要如何做AC分析?是要斷開哪裡?AC讯号要加在哪裡?
THX!
CLM

直接在你那个拐的很长的那条线上加上iprobe仿真stb应该就可以了,你这个反馈是保证中间那个共栅放大器的两个nmos源端相等么?
那个拐的很长的那条线上是指VO那條?然後加上iprobe仿真stb是指麼意思?如何寫hspice?我的想法是在某NET線斷開並加上大電感與電容,但不知斷在何處?
那我的电流限制做法是利用MN2为MN1的1/12倍去然后下沉电流从VHH至R2在到MN2sense到的電流也為MN1電流的1/12倍,然後利用在R2上的壓降透過CLM電路(MOS1~7)放大,當MN1沉电流过大,透过CLM电路进而反馈去控制MN2 MN1 MOS的门,使电流倍极限
CLM2

传说HSPICE下有.LSTB仿真
传说HSPICE下有.LSTB仿真
那个拐的很长的那条线上是指VO那條?然後加上iprobe仿真stb是指麼意思?如何寫hspice?我的想法是在某NET線斷開並加上大電感與電容,但不知斷在何處?
那我的current limit 做法是利用MN2為MN1的1/12倍去然後sink 電流從VHH至R2在到MN2 sense到的電流也為MN1電流的1/12倍,然後利用在R2上的壓降透過CLM電路(MOS1~7)放大,當MN1 sink 電流過大,透過CLM電路進而feedback去控制MN2 MN1 MOS的GATE,使電流倍limit
CLM11

额,我是用的spectre,加stb很容易,你这个在N11那条线上加AC可以吗?
谢谢分享
申明:网友回复良莠不齐,仅供参考。如需专业解答,请学习本站推出的微波射频专业培训课程。
上一篇:大神门,这是什么器件
下一篇:后仿真中出现finding DC approximate solution failed 该怎么处理

