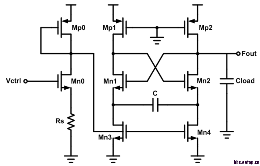
想请教关于VCO问题...
录入:edatop.com 阅读:
想请教关于VCO问题...

图片中的VCO的电路名称是什么?
Reference 于哪篇论文?
该电路操作原理为何?
CrossCoupled 上下两组MOS 是否当作电流源调整频率所使用?
为何要使用CS Degenerator 给下方电路作偏压?
谢谢!

图片中的VCO的电路名称是什么?
Reference 于哪篇论文?
该电路操作原理为何?
CrossCoupled 上下两组MOS 是否当作电流源调整频率所使用?
为何要使用CS Degenerator 给下方电路作偏压?
谢谢!
没见过,不过这应该也是弛张振荡器,没有下面的电容,振荡不了的,可以加群讨论一下,480342018
请参考,Analysis and design of quadrature oscillator
第三章 Quadrature Relaxation Oscillator
谢谢
申明:网友回复良莠不齐,仅供参考。如需专业解答,请学习本站推出的微波射频专业培训课程。
上一篇:cadence后仿,提取c_cc为什么进行dc仿真后,输出静态电压变了
下一篇:spectre cornor 仿真问题求助

