高线性lna和mixer怎么调? 调了n多久了!
录入:edatop.com 阅读:
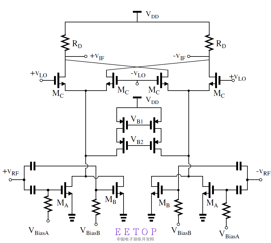
[attach]640307[/attach][attach]640306[/attach]请问论坛里谁做过高线性的低噪放或者混频器,我用的是下面的方法:
通过两个偏置不同的mos管并联消除二阶跨导。一个Vgs1,另一个Vgs2。通过两个管子的Gm''的和,在一定Vgs范围内,两个管子的跨导和Gm''为0;;;;
论文中的。Gm''的曲线是在固定Vds的情况下仿真成如图所示。
但在具体的电路中Vds肯定是变化的,扫描Vgs得到的Gm''曲线是杂乱无章,毫无规律的!
哪位大哥做过,虚心求教,谢谢了

通过两个偏置不同的mos管并联消除二阶跨导。一个Vgs1,另一个Vgs2。通过两个管子的Gm''的和,在一定Vgs范围内,两个管子的跨导和Gm''为0;;;;
论文中的。Gm''的曲线是在固定Vds的情况下仿真成如图所示。
但在具体的电路中Vds肯定是变化的,扫描Vgs得到的Gm''曲线是杂乱无章,毫无规律的!
哪位大哥做过,虚心求教,谢谢了




你的附件没传上来,
但是你说的这个情况不应该呀,单个mos管gm3来讲有gm3过零点,这个点也叫sweet spot,但是双偏置的话,可以使这个点的范围更宽泛一些。之前仿管子的Gm的三阶跨导还是和论文里的图比较相近的。
有qq联系方式吗?我加你下。主要问题是:在具体电路中,双mos管并联,由于Vds不是恒定的[随着Vgs变化],得到的Gm''的曲线是杂乱无章的。附件在一楼。万分感谢您的回复。谢谢“由于Vds不是恒定的[随着Vgs变化]” 你是咋变化?

如上图所示,g3曲线变化;是在vds为恒定值的条件下,扫描vgs,出来的g3曲线。
如上图所示,我在扫描跨导级的Vgs寻找合适的偏置;在扫描时,Vds也会改变。能不能通过某种方法,让Vds不变?着急,谢谢了,
你这样做,估计就不太好控制了,因为有电阻,还有共用电流的开关级的管子。你比如说,你的电阻换成电感,应该会稍好一些。哎,导师曾经说过,只要做出来,怎么说其实都问题不大。你可以固定vds看看单个管子,大概偏置到哪里比较合适,然后多扫一些数据,看看那些点的线性好一些。如果加运放稳定Vds,代价是不是有点大?
感谢你的回复
你意思是负载级还是偏置级,换成电感?
把跨导级直接扣下来,稳定Vds,然后扫描vgs,我确定可以得到优美的二阶跨导曲线[在一定区域内等于0]。申明:网友回复良莠不齐,仅供参考。如需专业解答,请学习本站推出的微波射频专业培训课程。
上一篇:ADE 下多线程控制
下一篇:大信号S参数的理解与仿真

