面试的时候遇到的一个题

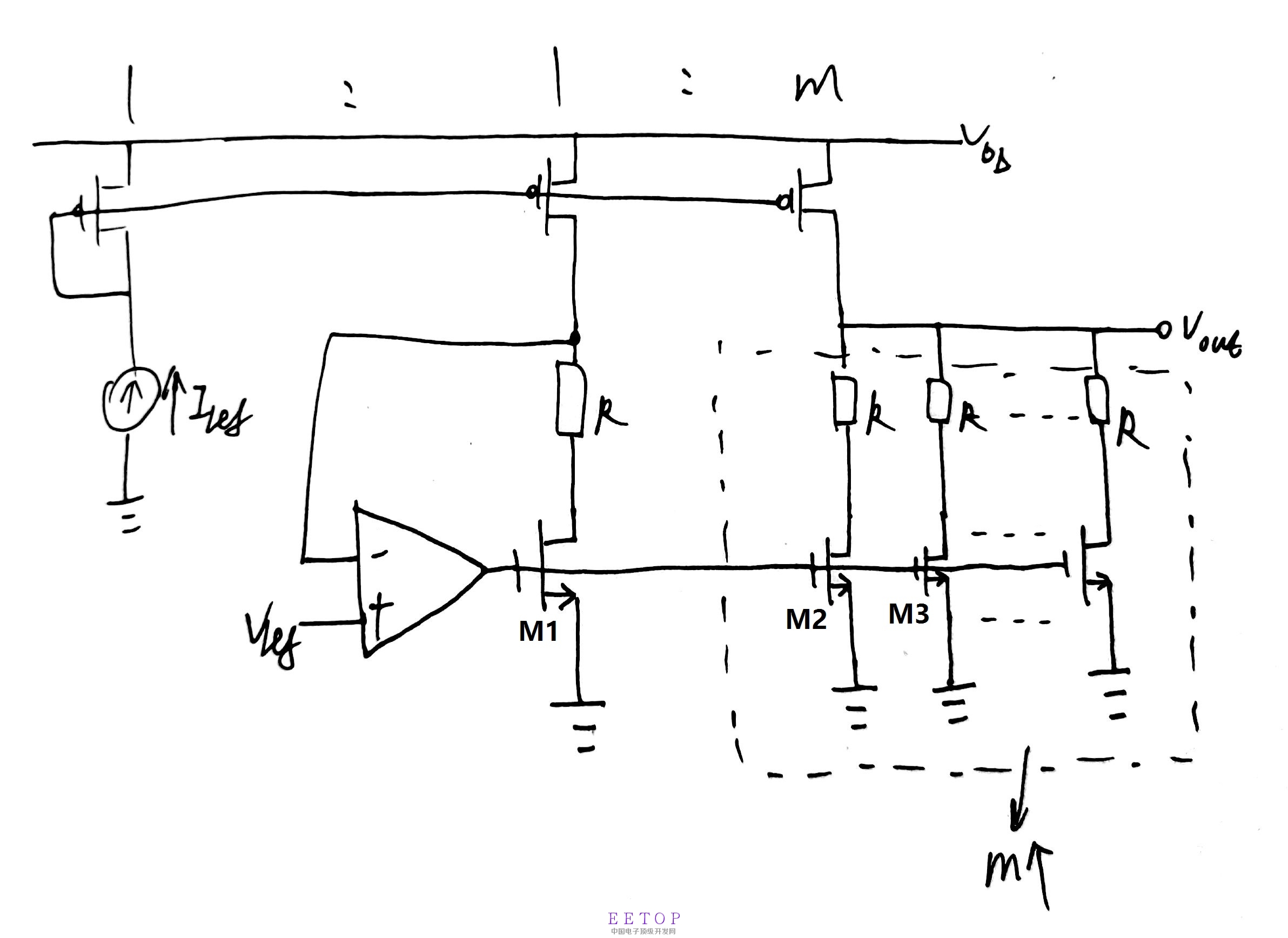
这是笔试题,题目讲这是产生参考电压和电流的电路,问我输出阻抗是多少?(电路大概是这个样子,应该没错)
以前没见过这样的电路,通常见到的和用的都是基准电压通过一个运放缓冲做电压-电流转换然后电阻分压得到多个输出幅度不一样的基准电压,它这里后面用m个并联时为了减小输出阻抗直接用Vout驱动小阻抗负载吗?
另外,运放负向端没有和Vout直接连,右边的Vout能被稳定在Vref吗?原理是什么?这个电路可能也是常用的,只是我没见过,请大侠指点
输出阻抗不是Vout/(m*Iref)吗
利用电流镜原理啊,运放的加入就是为了让m+1条支路尽可能的匹配
运放让它们更匹配,可以从小信号回路来看。主要利用的是反向端负反馈电阻的作用。
运放的负反馈稳定自己的那条支路自然是容易理解的 后面的m路并联时怎么被稳定?怎么样得出Vout=Vref的结论?
放大器是怎么起到提高匹配性的?感觉输出电阻是Rds//[(R+Rds)/m],和运放没啥关系呀?
让我计算输出阻抗应该跟放大器没有关系,下面还有一个问题 我忘了是什么了
这不是MTK的题么。
要使vout=vref,我认为那些nmos都要工作在线性区才行,即使nmos有细微不匹配,vout变化也不大。另外运放正负输入端是不是标反了,图中的接法是正反馈
画错了吧, 图中是正反馈
嗯。 reduce Rout to make it a ideal voltage source
我也觉得运放的正负极画反了
这个电路设计有点怪
没错吧
9楼说的对。如果晶体管工作在饱和区,这个电路很可能不工作。
beta*H(s)=A*gm*Rout
then :Rout_closed=Rout/(1+A*gm*Rout)=1/(A*gm)
so the replica output Rout=Rout_closed/M=1/(A*gm*M)
输出阻抗=(R+Rn/m(1-gmARn))//Rp,其中A为负
为什么要在线性区?图上所有的NMOS应该都是尺寸一样的 饱和区不行吗?
图有点问题。
管子一样,栅源压一样,电阻一样,每条支路电流一样,难道节点电压不应该一样?
没有错,对于小信号而言,op输出电压升高,控制的支路电流增加,造成运放反向端电位升高,进而反过来降低op输出电压,达到稳定管子栅压的目的。
我是在想右边m个并联的 如果Vout有波动 如何被左边的运放稳定?
这个就类似于双端输出运放的匹配问题。你画的电路,nmos之间,pmos之间都可能不匹配,如果工作在饱和区,这种不匹配可能会引起vout极大变化
感觉此电路有两个基本的问题,第一个为反馈端的接法有问题;第二个是不应该是第一个p管用二极管连接方式,而是中间那个用二极管连接方式。
电路画的确实可能有问题 印象中上面三个PMOS都不是二极管接法 我当时觉得很奇怪 不知道是如何镜像电流的 最左边的二极管接法是我自己加的 运放负反馈接法有问题?正反相端应该换一下?
M1 to Mm worked in linear region!
这个电路稳定Vout的原理是什么?
根据电流镜来说,电路应该没有问题的
首先,Iref进去就要二极管连接啊
否则基准还有什么意义
后面的运放反馈也是对的。其实不用那么麻烦计算等效电阻,直接V/I就可以
謝謝分享
谁能说一下这个电路到底是如何稳定Vout的?没人能说清楚吗?
申明:网友回复良莠不齐,仅供参考。如需专业解答,请学习本站推出的微波射频专业培训课程。

