gainboost辅助运放看到的负载以及带宽
录入:edatop.com 阅读:
最近在做一个piplineADC里的MDAC运放。采用gainboost结构。
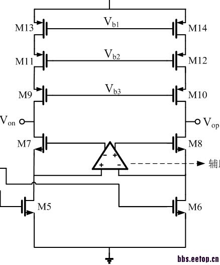
如图所示。(1)如果在上面也采用gainboost结构是否上面辅助运放的带宽也要满足其单位增益带宽大于闭环后整体的-3dB带宽?个人觉得不在信号通上只要满足稳定即可。试过带宽远小于闭环-3dB带宽。建立时间很好。
(2)在考虑辅助运放的带宽时,辅助运放看到的负载时住运放cascode管的cgg吗?个人觉得是cgd。cascode管的cgs就像一个源跟随器的cgs实际上看不到的。
(3)辅助运放的相位裕度好像会影响整体运放的相位裕度建立时间。好像越相位裕度越好(越接近单极点系统)建立时间越好。是这样的吗?想去推导但不知道怎么入手。
如图所示。(1)如果在上面也采用gainboost结构是否上面辅助运放的带宽也要满足其单位增益带宽大于闭环后整体的-3dB带宽?个人觉得不在信号通上只要满足稳定即可。试过带宽远小于闭环-3dB带宽。建立时间很好。(2)在考虑辅助运放的带宽时,辅助运放看到的负载时住运放cascode管的cgg吗?个人觉得是cgd。cascode管的cgs就像一个源跟随器的cgs实际上看不到的。
(3)辅助运放的相位裕度好像会影响整体运放的相位裕度建立时间。好像越相位裕度越好(越接近单极点系统)建立时间越好。是这样的吗?想去推导但不知道怎么入手。

顶一下
有没有update?我也遇到了这个问题呢!
謝謝分享
謝謝分享
1)这个结构不好
2)小编再看看经典论文吧
全中国的高校都在做pipelined ADC,都在调gain boosting 全差分运放!
申明:网友回复良莠不齐,仅供参考。如需专业解答,请学习本站推出的微波射频专业培训课程。

