运算放大器的噪声推导
录入:edatop.com 阅读:
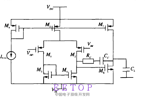
[attach]641817[/attach]
如图示的两级运算放大器,我要用PSO算法优化低噪声两级运算放大器的性能指标,算法中要有目标函数,对于其他性能,
如:功耗Pdiss=(I5+I6+I8)*(VDD+Vss)的目标方程是这样的,求大神推导两级运算放大器的噪声公式的方程
如图示的两级运算放大器,我要用PSO算法优化低噪声两级运算放大器的性能指标,算法中要有目标函数,对于其他性能,
如:功耗Pdiss=(I5+I6+I8)*(VDD+Vss)的目标方程是这样的,求大神推导两级运算放大器的噪声公式的方程

申明:网友回复良莠不齐,仅供参考。如需专业解答,请学习本站推出的微波射频专业培训课程。
上一篇:DCDC的环路单位增益带宽和EA带宽的关系?
下一篇:两级运算放大器噪声公式推导

