class-AB输出级的困惑

1.直接进入主题,我想问各位大N,都说class-AB的驱动能力强,有很好的大信号特性,是怎么体现的?
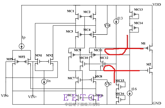
2.因为我在做一个运放,class-AB输出级是上图所示的一样,仿了做了一个SR仿真,发现SR才4V/us,而且输出管PMOS和NMOS的电流差才50uA(静态电流我设了350uA),我认真检查了所有管子,都工作饱和,是不是class-AB的偏置设定有学问?class-AB我目前似懂非懂,欢迎大家指点!
自己先顶一个,希望好心人指点指点,class-AB的要领
怎么让MC11和MC12电流相等?
有一些文章说最大动态电流是静态电流的10几倍,我这个成零点几倍啦,求经验指导啊
sr is mainly limited by miller cap.
classAB is good when driving heavy resistor load.
thank you! class-AB输出管是不是要调成微导通?
classAB的精髓在于:控制很低的静态功耗的同时可以有很高的动态驱动能力。这是实际低功耗电路的发展趋势。你要追求大SR,classAB显然不是最好的选择。你对classAB电路没理解,classAB的核心在于电流的比例,再去好好看看书吧。
classAB的精髓在于:保持很低的静态功耗的同时仍旧可以提供很大的动态驱动能力。这是实际低功耗电路发展的趋势。你要追求大SR的话,必然不能两级运放,classAB不是最好的选择。你对classAB电路理解不够,它的核心在于电流独立于VDD且成比例复制,你还是好好去看看书补补基础知识吧。
尾电流是多大,补偿电容是多大
差分管尾电流240uA,Cc=0.5pF
差分管尾电流=240uA,Cc=0.5pF这个全差分运放后面接的是BUFFER,再后面接的是采样保持电路,由于采样时钟频率很大,使我的差分输出信号不足以在半个时钟周期内建立好,增大GBW,PM等指标,没明显改善,目前发现运放的SR没达到理论值(50V/us),所以觉得是不是SR问题,所以才问大家class-AB的关键技术有哪些。
非常感谢!
申明:网友回复良莠不齐,仅供参考。如需专业解答,请学习本站推出的微波射频专业培训课程。
上一篇:hspicerf 仿真 vco,求助~!
下一篇:UWB的基本工作原理?

