如何仿真CMOS开关的导通电阻
1/gm?
不是,是那条马鞍曲线

DC sweep
在低压下LP工艺哪里来什么马鞍曲线,都是两头最小中间最高,而且是大一个数量级
马鞍曲线只是使用与VDD>>vthn+vthp的case下
不能这么教条的看这个峰那个峰的,还是要理解本质的为好
人家只是想验证一下书上的理论,难道PNmos的传输门没有这种特性?请问你的中间最高又是怎么得来的呢?
大数量级。开关导通电阻是个大数量级?
当然你的本质理解的很深刻,但是在理解本质之前,我觉得要先把眼睛睁大,看清楚小编想问的,小编只是想去验证一下书上的理论,.18工艺下的3.3V高压管我验证可以跑出来马鞍曲线(tt 常温 power3.3V)(280Ohm-440Ohm),或许我仿真的方法不对,但是我只是提出我的个人意见。可能用的工艺比较烂,仿真条件给的比较好,让大神见笑了。
好高端。
我试过了,挺实用的,谢谢!
有几个问题:
1.串联电容有啥作用,我觉得可以去除
2. DC Sweep之后需要记录每一个DC对应的AC电阻值,然后再画曲线。不那么直接,有没有更为直接的方法
1. 加的大电容是隔直流的,理论上可以去掉(AC源中的dc电压设置为0)
2. 我是在candence下ADE做的,用parametric analysis去扫vin,就能直接出来那条曲线了(开关电阻-Vin)
开关电阻的简易模型其实就是两个对称电阻并联结果,一个电阻在0-vdd逐级上升,一个逐级降低,有些时候没出来马鞍曲线,而只是单峰的,其实只是取决与这两个电阻变化的陡峭程度。
原理我知道,以前就是直接看建立曲线和FFT谐波失真的(这也是设计开关的最终目的),最近突然就是想整明白更为具体的细节。你给出的方法,我还有个疑问,就是开关与电容之间的点在AC仿真的时候应该要给个Initial Level,而且这个Level值必须是和VIN相近,以保证开关工作在Deep Triode Region.但是仿真的时候这个Initial Level加与不加竟然是一样的?!
每个VIN都做一次AC分析吗,那出来的就是N条线啊,如何出来一条Ron-VIN曲线,请明示
应为你初始状态开关就是打开的,所以,开关另一端就等于vin。
每个vin做一次,但是你要把等效电阻写个公式算它的值(低频取平均值),这样每次vin对应一个值,而不是线
给点忠告却换来讥讽,呵呵。还是踏踏实实把基础打好,不要半瓶子醋直晃荡。
传输门就是nmos Ron 与 pmos Ron 并联,有那么复杂么
至于并联后的形状并不一定是所谓的马鞍形
至于仿真方法更是简单了,哪里需要什么ac,然后看低频,只需要看一下operating point即可
整那些花里胡哨的又有何用?
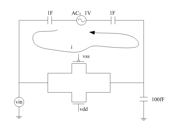
求大神的电路仿真模型
不错,是个好方法,也是最直观简洁的的。但是我的方法应该也可行吧,而且在0.11工艺里面应该也还是能出来马鞍的吧。如果控制系统中一条线路有很多和开关相互并联串联。
前面的言辞我表示道歉,只是觉得,个人没有去教条的考虑哪个峰,我写的峰,只是为了方便小编去把马鞍调出来。当然你的理解是对。只是我现在使用的方法虽然是麻烦,可是个人感觉能方便解决后防,以及更为复杂的开关控制系统。
挺不错,学习学习
请问您的仿真电路图是什么?谢谢
这里有个非常详细的仿真方法,电路图、仿真设定、仿真结果图都有,
大家可以去看看,个人觉着写的很好很详细。
http://bbs.eetop.cn/viewthread.php?tid=480373&extra=
http://jingyan.baidu.com/article/9113f81b0cc6e22b3214c7d5.html 我也推荐这个
非常感谢!
申明:网友回复良莠不齐,仅供参考。如需专业解答,请学习本站推出的微波射频专业培训课程。

