请问cadence里有没有可以双转单的bulun?
录入:edatop.com 阅读:
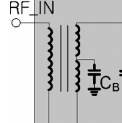
如题,小弟在做差分功放,输入要是差分信号,但是输入用自带的xmfr进行单转双,由于没有差分接地端,输入的信号不是差分的,想问下有没有图中的这样bulun?

这样在输入的差分处就强制接地了。

这样在输入的差分处就强制接地了。
申明:网友回复良莠不齐,仅供参考。如需专业解答,请学习本站推出的微波射频专业培训课程。
上一篇:时钟控制的比较器的输出消斗问题
下一篇:运放的设计

