如何仿真闭环系统的稳定性
是在什么地方接入AC,然后在什么地方看相位裕度吗?
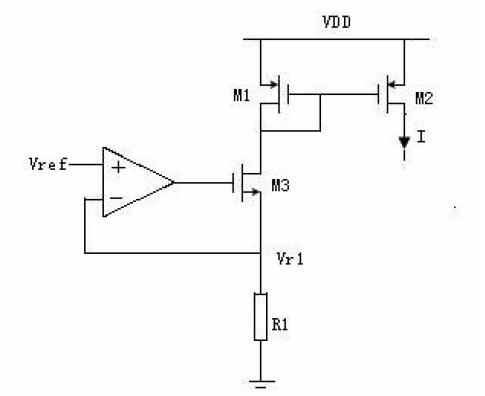
另外如果运放开环是60度的,在如图的闭环系统中还需要考虑稳定性问题吗?

应该能稳定,因为运放输出连接M3,此级增益约为1,极点在高频,应该不影响环路的稳定性
不过作为研究的话,可以将环路断开来仿,
在Vr1处断开,串入LC网络
在Vref加入交流信号, 在Vr1 处看输出
学习了,谢谢
直接run稳定性分析啊!
cadence自带stb
补充一个问题:用stb和上述小编的方法上有什么区别呢?stb考虑到反馈的负载了吗?一直不是很肯定。
stb就是专门分析闭环的稳定性的。计算的是闭环的增益和相位,这一点和AC是一样的。
至于楼上所说的反馈的负载,我不知道为何物。stb计算的是闭环整个路径上的传递函数,所有的负载都考虑到了。
也可用其他办法分析闭环的稳定性。
在闭环中加一个大电感,run AC分析。我比较过,都差不多。
2楼的说法不对。这种结构不一定稳定。具体是否稳定要run stb得到。
如果运放是两级运放,较难使之稳定,因为闭环看上去就是三级的。而且,M3 的GS 之间多了一个右半平面的零点(注意,是右半平面的),加速了相位移动。不过 通过补偿还是可以达到目的。如果是一级运放,应该比较容易稳定。
stb仿真没用过,怎么用?需要像AC仿真一样在电路里面接什么东西吗?
哪位大哥有stb仿真的教程或资料吗?感激不尽啊~
M3 的GS 之间多了一个右半平面的零点?
是右半平面的吧
请问 stb
是啥?
stb是spectre的一项仿真功能
能分析闭环稳定性
6# chenxm0113 请问用stb仿真运放的稳定性和通过传统仿真开环特性得出的结论一样吗?
谁有stb仿真的教程、资料或WORKSHOP,共享一下,好吗?小弟感激不尽。
偶的邮箱是:xuhuidts@163.com
在Vr1处断开,串入LC网络的作用是什么?
7# motocser
作stb分析时需选择probe instance,我们可以在环路中插入iprobe,然后选这个iprobe就可以了。iprobe 在 analogLib的analysis Category中。
例如在图中运放输出和跟随管的栅间接入iprobe即可,
cadence版本5141没有probe instance 郁闷了
11# liuguojia612
完全不一样。
开环仿真, 其实也是在模拟闭环的时候的情形。具体来说,是环路增益为1(0dB,模拟输出直接反馈到输入), 的相位裕度。
11# liuguojia612
不一样。要明白几个问题:
(1) 相违裕度都是预测闭环时候的稳定性的。开环就不存在相位裕度,比如比较器。
(2) 高增益运算放大器都工作在闭环。(LNA等除外)
通常你开环测试的相位裕度,是预测这种闭环情况:输出直接反馈到输入(也就是0dB, 输出=输入), 的时候的相位裕度。
如果上述条件不存在,输出不是直接反馈到输入(而是经过了另外的电路,产生了另外的零极点),得到的自然不是真正的相位裕度。可能震荡。
学习了 一般都是断开看相位裕度
直接看整个电路的开环传输函数的稳定性不就得了啊?
xiaoshixionghao
二楼说的是有道理的,他只是说“应该”能稳定,具体稳定不稳定还是要通过整个闭环的仿真来看,也就是二楼所说的接法。单仿运放本身的相位没多大意义,要带上反馈通路才行。
DDDDDDDDDDDDDD
我认为如果开环仿真相位裕度为60度的话,这个电路应该是稳定的:
仿真开环相位裕度是在假设f=1的情况下进行的,也就是passive feedback network所能达到的最坏情况;
图中的反馈电路虽然是active feedback network,但是可以推出f<1,因此稳定性肯定比f=1时要好。
假设input capacitor为Cin,feedback R为Rf。当采用stb时,我不明白它把环路开路后计算AC,算没有算上Cin?这就是我有点疑惑的反馈load问题。
不用疑惑,STB都给你考虑了。
不过 STB有时会出现些怪异的结果。所以STB又叫做 TSB,呵呵。
请问各位,我在对一个运放的共模反馈环路进行稳定性分析,最后的stability summary显示的结果如下图所示: 
学习来了
学习了
仿真stb是没有问题的 稳定性是可以看出来的 但是谁又具体仿真stb的步骤看看
MARK,后续关注。
申明:网友回复良莠不齐,仅供参考。如需专业解答,请学习本站推出的微波射频专业培训课程。

