请问下simulink如何对pll进行噪声仿真呢
phase noise 和frequence delay仿的时候老是出现数的类型不匹配,vco输出是double型的,phd需要布尔型的。
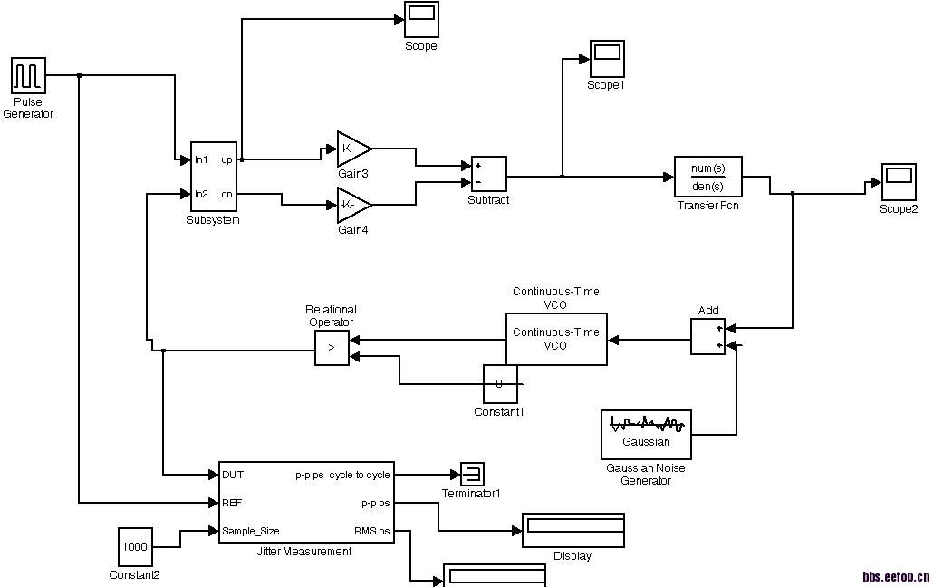
仿真模块

飘过
VCO输出通过比较后变成方波,再用类型转换应该可以。
网上有相应的模型可以参考一下,请问一下LS,如果看频谱的话该如何设置
网上给的都是直接调用里面的噪声模块,我想用一组数据然后拟合出噪声的函数表达式,再加到模块中。
看频谱simulink里面有频谱分析
好好学习一下,我也来试一下
刚开始接触PLL,好多不懂啊
请问小编,能把你用的Simulink模型让我看看么?尤其是图中那个jitter measurement这个模块特别想知道怎么设计的。我还是特别麻烦的导出数据,然后用matlab进行处理,太麻烦了。另外,关于你的问题,VCO出来的波形用relational operator进行波形整形,变成01的方波后,再用data type conversion转成波尔型数据就好了。最后还是希望小编借我参考一下那个jitter测量模块,万谢!
请问小编,你那个jitter measurement 模块是怎么设计的?我非常感兴趣,能分享一下么?我现在还是用scope导出数据,然后用matlab进行数据处理,非常麻烦,请教了。另外,关于你的问题,VCO出来的波形,用relational operator进行整形之后变成01的方波,然后通过data type conversion模块变成波尔型就好了。希望小编能够分享一下,万谢!
请问小编,你那个jitter measurement 模块是怎么设计的?我非常感兴趣,能分享一下么?我现在还是用scope导出数据,然后用matlab进行数据处理,非常麻烦,请教了。另外,关于你的问题,VCO出来的波形,用relational operator进行整形之后变成01的方波,然后通过data type conversion模块变成波尔型就好了。希望小编能够分享一下,万谢!
mark
shoucang
申明:网友回复良莠不齐,仅供参考。如需专业解答,请学习本站推出的微波射频专业培训课程。

