Tanner 16的一些问题
录入:edatop.com 阅读:
毕设要用这个软件 才下下来 用s-edit做电路图 发现没有资源库 选出来的原件都不能移动也没法叠加 不知道怎么回事 有知道的能教我一下么 谢谢了

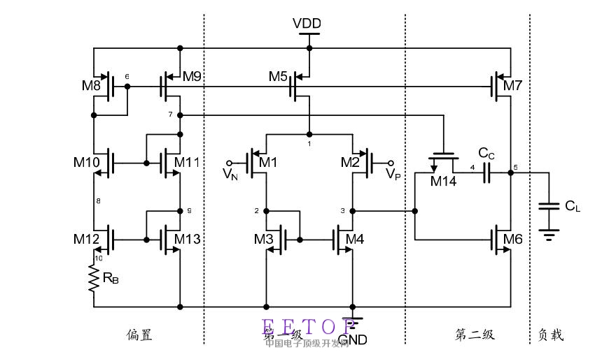
[img][/img]我的论文是要把这个二级运放用tanner画出来 最终把版图做出来 这个软件真的没用过 完全不会啊 跪求帮助

http://bbs.eetop.cn/thread-46685-1-1.html
Tanner的教程,包含L-edit,S-edit 是中文的课件哦
http://bbs.eetop.cn/thread-352468-1-1.html
tanner tools详细教程哦
L-edit Tanner EDA tools fullCustom-1.avi
https://www.youtube.com/watch?v=QOT0qetLC_8
...
...
L-edit Tanner EDA tools fullCustom-4.avi
申明:网友回复良莠不齐,仅供参考。如需专业解答,请学习本站推出的微波射频专业培训课程。
上一篇:设计增益10倍左右的差分放大器
下一篇:CPPLL 仿真后控制电压摆动太大

