MOS管用途
录入:edatop.com 阅读:

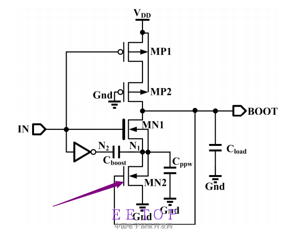
大家好,图中电路是电荷泵电路,我现在疑惑,图中NMOS管MN2的漏端与bulk端短接的用途是什么。希望大家指点指点。
不是你理解的那样吧,MN1、MN2bulk接在一起,并没有连在MN2的drain,视图的问题,两节点太近混淆了。
申明:网友回复良莠不齐,仅供参考。如需专业解答,请学习本站推出的微波射频专业培训课程。
上一篇:verilog-A定时操作求助
下一篇:运放仿真的问题,附图

