LC VCO开关电容阵列的设计
录入:edatop.com 阅读:
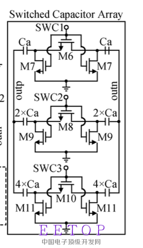
最近做了一个LC VCO,频率在3.5G左右,需要加上开关电容阵列进行频率控制,我根据文献选用了一个结构,但是不管MOS管的值设定为多少,这个symbol加入电路中,整个电路就不振荡了,实在是不知道为什么,参考了很多资料也没有结果,求大神解惑、
而且这个结构中,每一级的MOS管尺寸是不一样的嘛?可以理解MOS管作为开关管的工作原理,但是这样的话MOS的尺寸对整个symbol的工作有什么影响吗?
开关电容C并联到你LC振荡回路的时候要注意一下并联进去的C的Q值,它会影响到你LC振荡电路的Q值,不合理的话VCO会不起振或者noise,output swing不符合预期。
会是因为没有加初始状态或者起振方式么?毕竟实际电路中电路起振是因为有噪声的缘故。
可能因为你管子的宽长比不正确,电流没有输出。
申明:网友回复良莠不齐,仅供参考。如需专业解答,请学习本站推出的微波射频专业培训课程。
上一篇:Sigma-delta ADC 的仿真问题
下一篇:求:全差分运放的仿真测试电路

