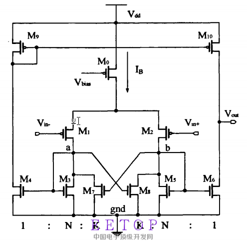
采用内部正负反馈技术的放大器
其中一個原因是:
如果設計不好,
放大器和运放可能會引起震盪.
会不会是因为引入额外的 offset ?
关于补偿问题,内部正反馈技术对放大器的主、次极点几乎没有影响
1. 图中M3和M5构成的负阻在提升阻抗、拉升增益的同时也降低了该节点的零极点频率,所以不利于做高速
2. 其实这种带正反馈的放大器在低速应用中用的很多的,尤其是拖大负载
多了去了 ,因为够用了 加了闲麻烦
latch up
1)正阻抗与付阻抗的适当并联提高输出电阻,提高增益;并联结构降低对电源电压的要求;
2)付阻抗与正反馈可能导致震荡与锁定;
More details please?
为什么会有震荡问题?M3,M5都是二极管接法,其输出电阻很小,所以次极点会很高。据我的仿真验证,加正反馈之后,增益将近增加了2倍,次极点虽然有所减小,但它依然远大于GBW(10倍之外),所以,我觉得加正反馈后并不会对相位裕度造成影响啊
并不会呀,无论有无正反馈,次极点都会很高的
M3,M5都是二极管接法,其输出电阻会比较小,所以次极点会很高。据我的仿真验证,加正反馈之后,增益将近增加了2倍,次极点虽然有所减小,但它依然远大于GBW(10倍之外),所以,我觉得加正反馈后并不会对相位裕度造成影响啊
还是不懂,求详细说明一下哈
为什么会有震荡问题?M3,M5都是二极管接法,其输出电阻很小,所以次极点会很高。据我的仿真验证,加正反馈之后,增益将近增加了2倍,次极点虽然有所减小,但它依然远大于GBW(10倍之外),所以,我觉得加正反馈后并不会引起震荡问题啊,至于锁死问题,还麻烦您详细说一下,谢谢啦
這電路設計有一附帶(Extra)條件:
N 需要 > K,
才不會Latch Up,
而但您加正反馈之后,增益将近增加了2倍!
表示您的K=N/4,
符合N>K條件.
楼上说的对,正反馈大会latch up, 小了意义不大。要考虑随机适配。
比较武断过的说法而已,正反馈不一定震荡,具体问题具体分析;
申明:网友回复良莠不齐,仅供参考。如需专业解答,请学习本站推出的微波射频专业培训课程。
上一篇:模拟设计术语Bode Plot(波特图) Root Locus(根轨迹图) 详解及对应Matlab程序
下一篇:比较器设计的问题

