求助LVDS驱动器电路
录入:edatop.com 阅读:
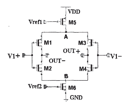
如图所示,是电压式的LVDS驱动电路,作用就是利用vref1和vref2电压将M5和M6调整到饱和区,M1和M2,M3和M4是两对反相器,V1+和V1—是一对反向信号,当V+为高电平,V-为低电平时,M2和M3作为传输管,将A点电压和B点电压传送至Vout+和Vout-,此时的输出vout+和vout-之差就是A点电压和B点电压之差,调整M5和M6可以得到VA-VB=350mV。
现在的问题是我不管怎么调整,A点电压一直为VDD,B点电压为GND,不知道该怎么调整,求助大神。
现在的问题是我不管怎么调整,A点电压一直为VDD,B点电压为GND,不知道该怎么调整,求助大神。

1、确认线没连错
2、确认管子尺寸没有离谱
3、Vref1和Vref2是直接用电压源给的偏置还是通过电流源偏置?如果是前者,试试后者,看看管子工作状态。
谢谢回复
1 连线肯定没错;
2 尺寸没有离谱;
3 采用电流源偏置;
增加电阻
MOS管在饱和区工作时电流大,内阻小,VDS压降很小。
为什么不采用电流模式?电压模有什么特殊考虑?刚接触这块,求教啊
Vds小啊
申明:网友回复良莠不齐,仅供参考。如需专业解答,请学习本站推出的微波射频专业培训课程。

