求帮忙晶振仿真问题
录入:edatop.com 阅读:
小弟现用晶振等效模型来做晶振仿真,但听说要加初始条件,根据论坛中大家的回复得出两种加初始条件的方法:
1.在电感中加初始电流。但用该法,晶振的振幅随加的电流大小而变化,同时一开始就能震荡,但一直衰减,直至不振。
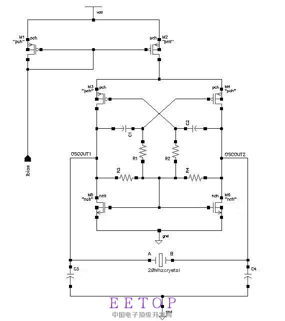
2.在节点处加初始电压。因为是用Spectra仿的,我是通过下述图示方法实现加初始电压的,但是不会起振
跪求请高手们指点迷津,如何才能起振并稳定振荡。
1.在电感中加初始电流。但用该法,晶振的振幅随加的电流大小而变化,同时一开始就能震荡,但一直衰减,直至不振。
2.在节点处加初始电压。因为是用Spectra仿的,我是通过下述图示方法实现加初始电压的,但是不会起振
跪求请高手们指点迷津,如何才能起振并稳定振荡。
8# behzad
十分感谢,终于解决了
你的意见非常中肯, 反相器gm加大,与反馈电阻增大都有利于晶振起振。
我这里有两点疑惑,请教一下!望指点。
1,晶振通过spectre仿真得出的起振时间与实际起振的时间是否相等?
2,反馈电阻增大有利于起振,但若增为无穷大,即等于开路,必然不能使晶振起振,反馈电阻增大的上限受什么约束?
小编 能分享一下你在设计时 无法起振的原因?遇到了相同的问题 汗....
你好,不起振的问题是如何解决的呢?
你现在TRANS仿真时间加的是多少呢
小编,求教你的问题是怎么解决的,我现在碰到的问题是跟你完全一致的。电感上加电流是衰减振荡,电压设初始值不振荡。就是电路图跟你的不一样。
群主是个好人
这个样纸~
你好,请问下这个结构可以振荡吗? 我调了好久也 没振起来。我将高通的RC拿掉了
申明:网友回复良莠不齐,仅供参考。如需专业解答,请学习本站推出的微波射频专业培训课程。

