MIM电容能否承受多大的ESD信号
录入:edatop.com 阅读:
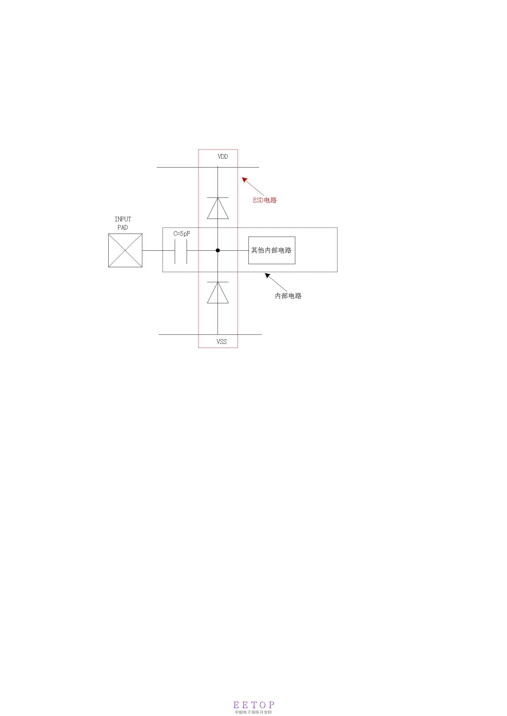
各位大侠,电路输入端含有一个5pF的MIM电容,想把ESD电路加在电容后面,不知MIM电容能否承受ESD信号
为啥要放在后面?
晶圆厂应该会有相关的资料。但,小编要注意最小的单位电容面积不能太小,也不能太大。
恐怕不行,MIM直接承受ESD电压
申明:网友回复良莠不齐,仅供参考。如需专业解答,请学习本站推出的微波射频专业培训课程。
各位大侠,电路输入端含有一个5pF的MIM电容,想把ESD电路加在电容后面,不知MIM电容能否承受ESD信号
为啥要放在后面?
晶圆厂应该会有相关的资料。但,小编要注意最小的单位电容面积不能太小,也不能太大。
恐怕不行,MIM直接承受ESD电压
申明:网友回复良莠不齐,仅供参考。如需专业解答,请学习本站推出的微波射频专业培训课程。