自偏置基准电流源
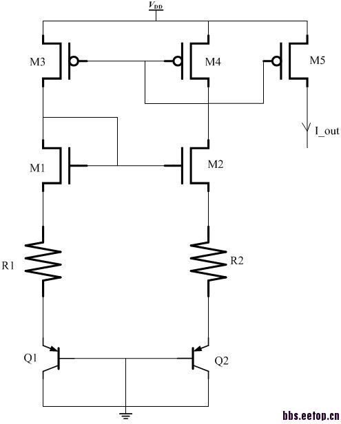
自偏置基准电流源如图所示,电路可以产生与温度无关的电流。我之前没有见过这种结构。
请问电路中,两个电阻之间、PNP管之间的关系是如何的呢?产生的与温度无关电流的表达式又是如何的呢?
谢谢~
利用电阻和bjt温度系数不同产生近似为零的bias current
I1*R1+Vbe1=I2*R2+Vbe2
即I1*R1-I2*R2=delta Vbe
I1=n*I2
R1=m*R2
化简:
I2*R2(n*m-1)=delta Vbe
对上述方程在时域微分可得到温度系数关系
学习学习
这个拉扎维的模拟CMOS关于基准源那章有说过吧
这个就是根据VBE=VT*ln(Ic/Is)这个公式来推导就好了,需要注意的就是Vs1=Vs2,就是说两个NMOS管的源极电压是相等的,然后Ic1=Ic2。
目的就是求出Iout=(Vs1-VBE1)/R1的表达式,最后你会发现可以通过合适的R1、R2比例使(Vs1-Vbe1)成为零温度系数的电压。
我简单算了一下,觉得好像可以实现。但是又觉得这么干的话反馈系数好像不太好满足。还没时间仔细研究等我有空仔细算算反馈系数哈
额,竟然把负温度系数约掉了,难道还是个正温度系数电流?
首先不好意思哈,我漏掉了重要信息,非常抱歉! 我是参考了一片长篇的英文论文,刚才看你的回答好像有可能是正温度系数,我也有这个感觉,所以我有重新认认真真的又看了一遍,果然图中的电路要和其他部分结合组成零温度系数的电流。
此时我仍有一些疑问,传统中的典型结构应该是没有R1这个电阻的啊,那图中这种结构优点是什么呢? 是不是想通过电阻的相对阻值来代替电阻的绝对阻值呢,虽然两个电阻值不同。
像这种基准源,请问一下 对于电阻的要求,是不是正负温度系数都无所谓呢, 只要温度系数愈小愈好
嗯,一般都会挑选implant的电阻,因为这样会在节省一层版的前提下用温度系数最小的电阻材料。有的也会用到高阻poly,这种的电阻温度系数会大一些但是也会更省面积一些。
按照你贴的电路的做法可以节省一路电流,因为传统的电路会用Q1、Q2产生一个正温度系数电流后镜像出来流过另外一路二极管和电阻。节省的这一路不仅可以节省面积,而且少一次镜像也可以使随机偏差减小,使silicon结果的VBG电压收敛性更好一些。
非常感谢你的帮助 谢谢~
大神说得对
大神说得对
申明:网友回复良莠不齐,仅供参考。如需专业解答,请学习本站推出的微波射频专业培训课程。
上一篇:继续bipolar差分对的讨论
下一篇:求论文一篇,谢谢!

