phase interpolator 在125MHz低频时钟下phase linearity太差,怎么调节?
录入:edatop.com 阅读:
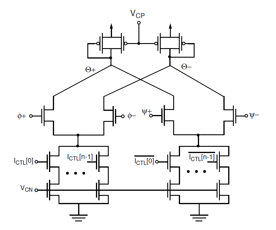
各位大神好!最近在调一个HDMI的clock模块,用到phase interpolator,高频3Ghz下phase线性度很好,但师傅说hdmi还要求低频125Mhz下能工作。电路图与下图类似,phase<8:0>扫描128个,高两位控制delay T/4,T/2,3T/4,T。125MHz下基本呈现4个台阶,没有线性度。


坛里有没有做过PI的,提示一下低频该怎么调节?!谢谢!

125MHz还需要CDR 么?即便低频不线性,又有什么关系?
我也是这么想的,低频就把PI给去掉行不行,但得到的回复是否定的。我对整个hdmi了解的不是很多,师傅的说法肯定是有道理的 这个clock模块是为了给后边的RX提供2个相位相差90度的时钟信号。刚刚又想了一下,低频相位90度差的实现貌似跟线性度也没啥关系哈?
刚参加工作,对整个系统了解太少,谢谢你的帮助!
申明:网友回复良莠不齐,仅供参考。如需专业解答,请学习本站推出的微波射频专业培训课程。
上一篇:美国公司成都分部招模拟设计工程师
下一篇:这个肖特基为何要加p+环

